EasyManua.ls Logo

BFT Botticelli VENERE D - Page 42

BFT Botticelli VENERE D
Print Icon
To Next Page IconTo Next Page
To Next Page IconTo Next Page
To Previous Page IconTo Previous Page
To Previous Page IconTo Previous Page
Loading...
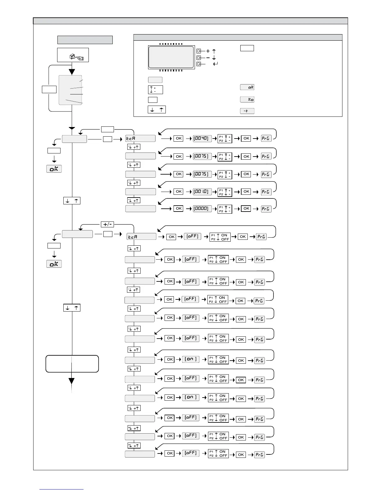
LEGENDA
Fig. A
OK
Presione la tecla OK
$2
TCLCPCB



.0+
*-%'!
[  ]
Incremento/reducción parámetros o
conmutación ON/OFF
Corrimiento menús
(+ = anterior, - = sucesivo)
Presione la tecla OK (Intro/confirmación)
Mensaje ¡OK! (confirmación realización modificación)
.0%
OK
OK
+-
+-
+-
OK
ACCESO A LOS MENUS
MENU SIGUIENTES
FIG. B
-
+
/ON
/OFF
-
+
-
+
Versión software central
No de maniobras desde la última
operación de mantenimiento
(expresado en millares)
No de maniobras totales
(expresado en millares)
No de radiomandos memorizados
Mensaje ¡KO! (error valor o función)
.0%
Mensaje "Espera" (introducir valor o función)
+-
Presione simultáneamente las teclas + y -.
La pres i ó n s i multánea de la s t e c l a s + y -
pe r m i t e sa l i r del m e nú en e l q ue se e s tá
operando y volver al anterior; si se produce
dentro de los menús principales, se sale de la
programación y se apaga el display.
L a s mo d if i ca ci o ne s a po r ta d as q u e d an
configuradas únicamente si, a continuación, se
presiona la tecla OK.
Valor predefinido
OK
OK
N?QMQ
@JGKN?N
NPC?J?PK?
DMRMA?N
RCQRNFMR
QA?AF
AMBGEMDGHM
NPMEP?BGM
QR?PRMNCL
NCBAJMQC
XMLC
N?P?NCPR
N?PAGCPP
K?QRCP
42 - BOTTICELLI VENERE D
D811493_01