EasyManua.ls Logo

BFT Botticelli VENERE D - Page 50

BFT Botticelli VENERE D
Print Icon
To Next Page IconTo Next Page
To Next Page IconTo Next Page
To Previous Page IconTo Previous Page
To Previous Page IconTo Previous Page
Loading...
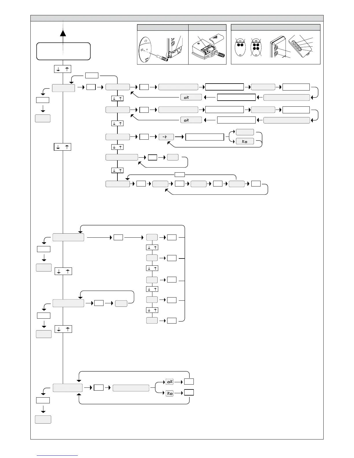
Fig. B
MENUS PRECEDENTES
FIG. A
*#,%3
'2
$0
"#3
#,%
CQN
OK OK
OK
OK
OK
OK
OK
.0%
-
+
-
+
+-
+-
.0#"#$','"-
-
+
-
+
-
+
-
+
T1
T2
T1
T2
T3
T4
1 2
3
T1 T2 T1 T2
T3
T4
P1P1
P1
0"'-
-
+
-
+
+-
$',#
$',#
$',#
OK
+-
Presione P1 del radiomando.
Presione Tecla deseada del
radiomando (véase la Fig. B3).
Presione Tecla deseada del
radiomando (véase la Fig. B3).
Suelte P1 del
radiomando.
,"QR?PR
2#!*#1!-,"'"
13#*2#
2#!*"#1#"

.0%
*##0
OK
OK
OK
!,!#*0
-
+
-
+
R
Presione P1 del radiomando.
Presione Tecla deseada del
radiomando (véase la Fig. B3).
Suelte P1 del
radiomando.
,"AF
2#!*#1!-,"'"
13#*2#
2#!*"#1#"

OK
-
+
!-"06
OK
!
OK
$"
OK
OK
-
+
+-

OK
32-QCR
+-
$',#
OK
OK
50 - BOTTICELLI VENERE D
D811493_01