EasyManua.ls Logo

BFT EOS 1200 U - Logic Menu Settings; Logic Menu Definitions; Radio Menu Settings; Radio Menu Functions

BFT EOS 1200 U
20 pages
Print Icon
To Next Page IconTo Next Page
To Next Page IconTo Next Page
To Previous Page IconTo Previous Page
To Previous Page IconTo Previous Page
Loading...
D812774 00100_06
30 - EOS 1200 U
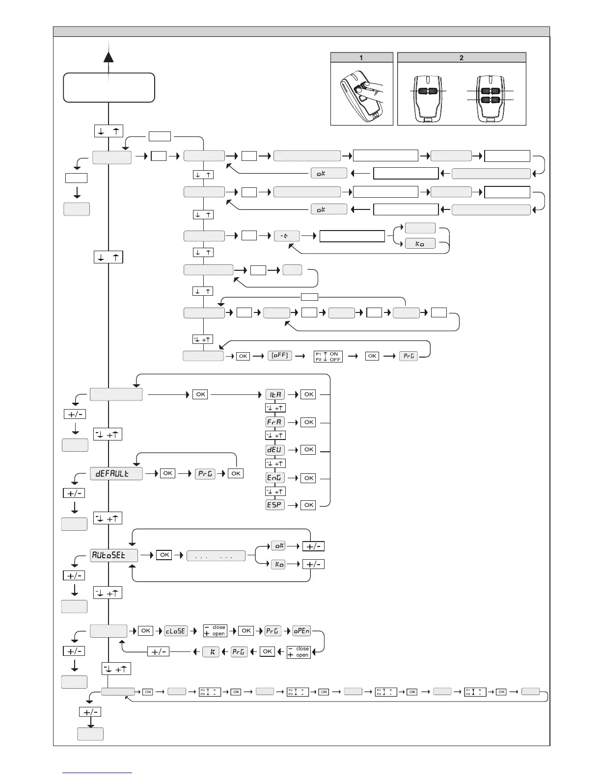
Fig. B
PRECEDING MENUS
FIG. A
RADIO
-
+
-
+
+/-
END
OK
+/-
Press P1 (pushbutton) on radio
control device.
Press the required T (key) on
radio control device – see Fig. B2
Press the required T (key) on
radio control device – see Fig. B2
Release P1 on radio
control device
ADD start
hidden button release
desired button
01
PRG.
READ
OK
OK
OK
ERASE 64
-
+
-
+
Press P1 (pushbutton) on radio
control device.
Press the required T (key) on
radio control device – see Fig. B2
Release P1 on radio
control device
ADD 2ch hidden button release
desired button
01
OK
-
+
01 t1
COD RX
OK
1A9C
OK
22FD
OK
01
OK
-
+
+/-
o
language
END
END
END
END
l.sw adj
vk
T3T4
T1
T1 T2
T2
password
0---
10--
150- 1520 prg
END

Related product manuals