EasyManua.ls Logo

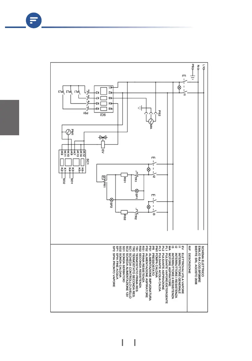
Bieffe EMILIO BF089E - Electrical Schematics

Bieffe EMILIO BF089E
Print Icon
To Next Page IconTo Next Page
To Next Page IconTo Next Page
To Previous Page IconTo Previous Page
To Previous Page IconTo Previous Page
Loading...
EMILIO
46
ENGLISH
8. EXPLODED VIEW