EasyManua.ls Logo

Bio Bronpi HYDROBOX - Page 112

Bio Bronpi HYDROBOX
Print Icon
To Next Page IconTo Next Page
To Next Page IconTo Next Page
To Previous Page IconTo Previous Page
To Previous Page IconTo Previous Page
Loading...
111
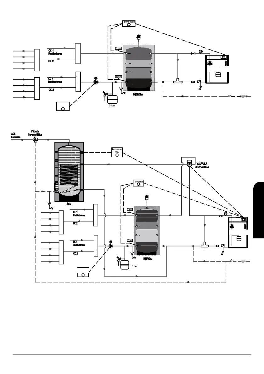
Caldeira + Depósito de Inércia + Circuito de Radiadores / Circuito de Piso Radiante
Coletor p. radianteColetor p. radiante
Piso radiante
Piso radiante
Termostato
casa
Coletor quente
Coletor frio
Expansão
Válvula
anticondensação
Alimentação
principal
Circulador e vaso de
expansão incluídos
Caldeira + Depósito de Inércia + Depósito de AQS + Circuito de Radiadores / Circuito de Piso Radiante
Coletor p. radiante
Coletor p. radiante
Coletor quente
Coletor frio
Termostato
casa
Expansão
Alimentação principal
Piso radiante
Piso radiante
Válvula
anticondensação
Alimentação
principal
Circulador e vaso de
expansão incluídos
PT
INSTRUÇÕES DE INSTALAÇÃO, USO E MANUTENÇÃO HYDROBOX, HYDROTEX E HYDROCONFORT

Table of Contents