EasyManua.ls Logo

Bio Bronpi HYDROBOX - Page 113

Bio Bronpi HYDROBOX
Print Icon
To Next Page IconTo Next Page
To Next Page IconTo Next Page
To Previous Page IconTo Previous Page
To Previous Page IconTo Previous Page
Loading...
112
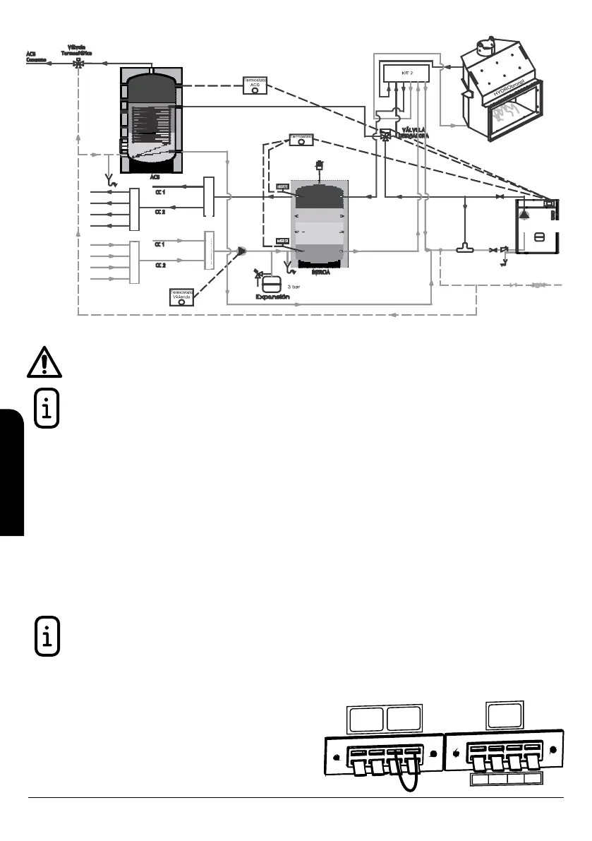
Caldeira+ Caldeira Hydrobronpi + Depósito de Inércia + Depósito de AQS + Circuito de Radiadores / Circuito de Piso Radiante
Coletor p. radianteColetor p. radiante
Coletor quente
Coletor frio
Radiador
Radiador
Piso radiante
Piso radiante
Alimentação principal
Válvula
anticondensação
Alimentação
principal
Circulador e vaso de
expansão incluídos
É obrigatório que, para a conformidade no arranque da caldeira por parte do SAT, a instalação possua uma válvula de
elevação da temperatura de retorno do circuito hidráulico (válvula anti-condensação) a fim de se evitar a condensação no
interior da câmara de combustão. A referida válvula pode adquirir-se no mesmo distribuidor Bronpi onde adquiriu a sua
caldeira.
Caso o instalador decida proceder à realização da instalação utilizando um depósito de inércia deverá ligar o termóstato que
regula o referido depósito na saída da caldeira mencionada como “Termóstato ambiente”.
A caldeira não tem uma sonda ambiente, portanto, para a correta operação, o instalador deve conectar um termostato externo à
caldeira (0 volts, sem tensão), para regular sua operação.
DEPÓSITO ÁGUA QUENTE SANITÁRIA (AQS)
Caso a nossa caldeira tenha ligado um depósito de AQS devemos ter em consideração o seguinte:
- A nossa caldeira pode regular apenas um depósito de AQS, não garantindo o bom funcionamento da mesma em caso de substituição
deste sistema por outros alternativos.
- Este depósito deve estar provido de uma sonda tipo NTC de 10 kΩ (25-120ºC) com um comprimento inferior a 10 metros com uma
secção de 1 mm
2
que irá medir a temperatura do interior deste e que regulará a entrada de água caso seja necessário. Para uma
maior distância, proporcionar uma maior seção e a proteção da sonda para proteger das interferências.
- Remover a ponte de ligação existente na caldeira e colocar a sonda.
- Nas épocas do ano em que o utilizador considerar desnecessário o uso simultâneo de aquecimento e AQS, usando unicamente os
serviços da caldeira para AQS, devemos ir ao painel de controlo (Display) e pôr a trabalhar o equipamento em modo “Verão”. Desta
forma, a nossa caldeira unicamente entrará em funcionamento quando o depósito o solicitar.
- Se a caldeira estiver a trabalhar em modo “Inverno” devemos ter em conta que adquire prioridade o aquecimento do depósito de
AQS, cessando a transmissão para o circuito de aquecimento até ao momento em que o referido sistema de AQS tenha atingido o
ponto pretendido.
Deve ter em conta que, sob solicitação de AQS, a caldeira modulará a potência, adequando-se às exigências de solicitação
de AQS, para desta forma evitar o sobreaquecimento do circuito primário.
TERMOS.
AMBIENTE ACS
VALVULA
3 VIAS
P2
P3
F
SONDA
LIGAÇÕES COMANDOS EXTERNOS
Tanto as caldeiras, na sua parte posterior, dispõem de uma série de conectores para facilitar a ligação de diferentes controladores.
Termóstato externo (ambiente)
Sonda AQS (Água Quente Sanitária)
Válvula de 3 vias motorizada:
- “P2” ligação do servomotor para servir o circuito de
aquecimento
- “P3” ligação do servomotor para servir o circuito de AQS
- “F” alimentação eléctrica (linha)
PT
INSTRUÇÕES DE INSTALAÇÃO, USO E MANUTENÇÃO HYDROBOX, HYDROTEX E HYDROCONFORT

Table of Contents