EasyManua.ls Logo

Biodom 27 A - Electronic Control Panel Scheme

Biodom 27 A
59 pages
Print Icon
To Next Page IconTo Next Page
To Next Page IconTo Next Page
To Previous Page IconTo Previous Page
To Previous Page IconTo Previous Page
Loading...
Biodom 27 A | instructions for use, maintenance and installation | March 2019
30
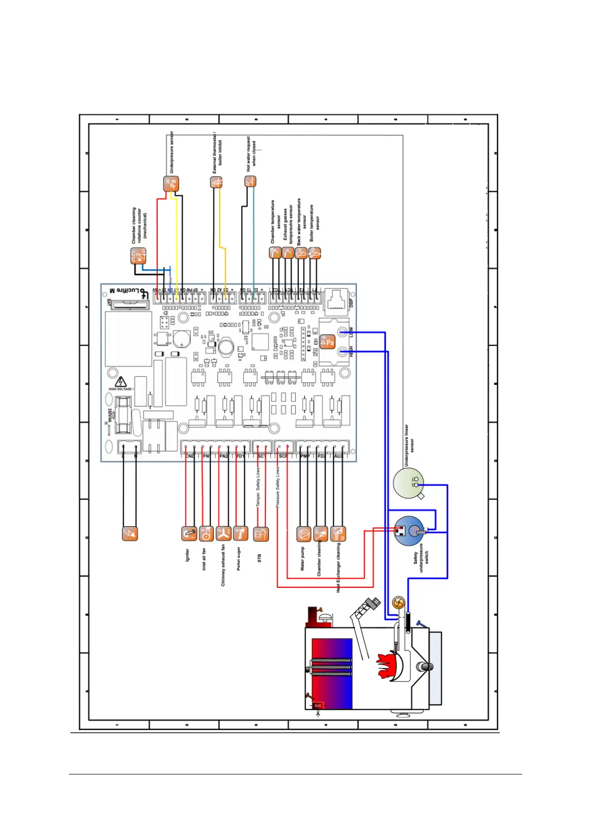
10. SCHEME OF ELECTRONIC CONTROL PANEL OF THE BOILER
Figure 16

Related product manuals