EasyManua.ls Logo

Biodom 27 A - Scheme Nr.2: Heating Household Hot Water

Biodom 27 A
59 pages
Print Icon
To Next Page IconTo Next Page
To Next Page IconTo Next Page
To Previous Page IconTo Previous Page
To Previous Page IconTo Previous Page
Loading...
Biodom 27 A | instructions for use, maintenance and installation | March 2019
46
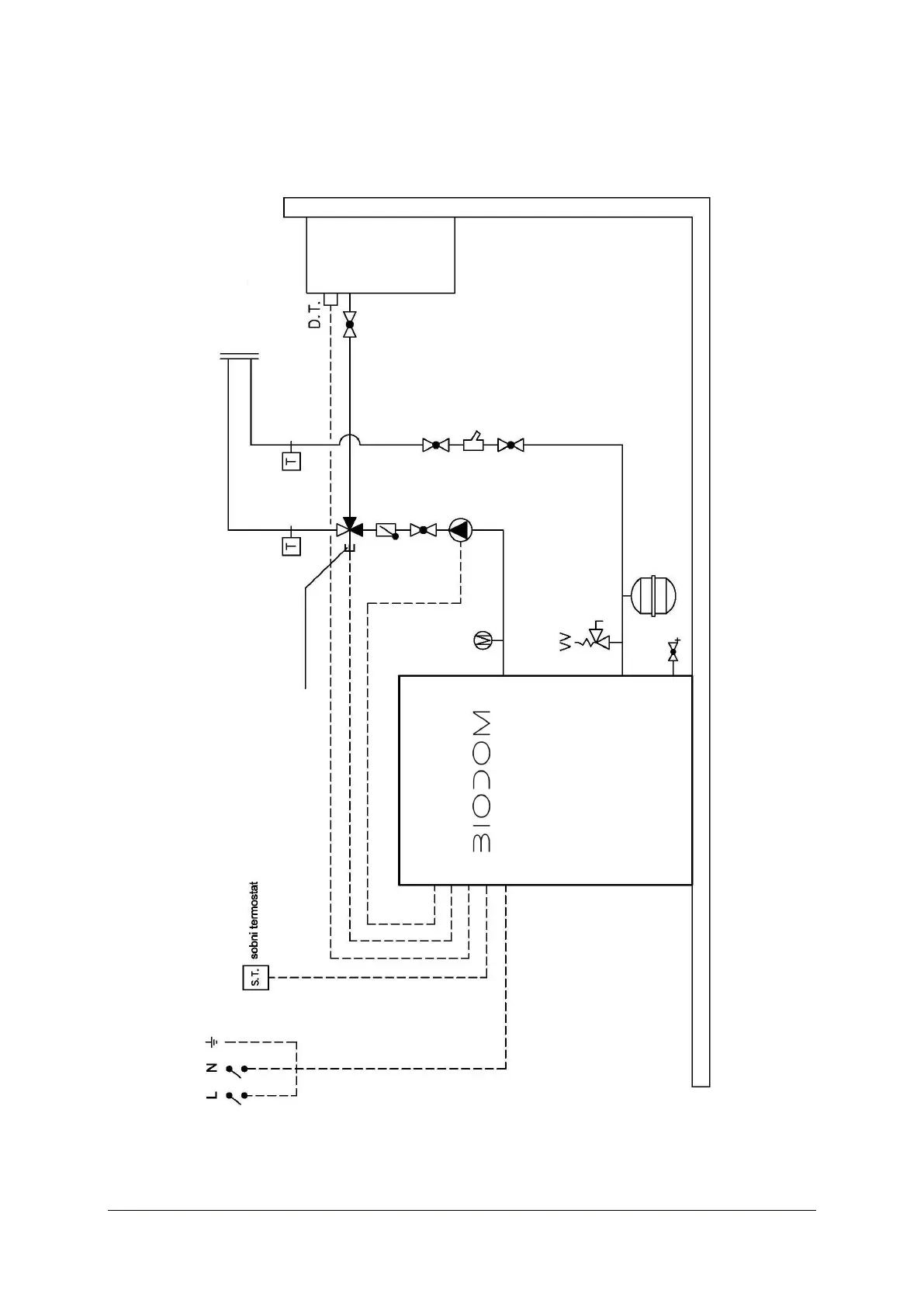
17.2. SCHEME NR.2: HEATING HOUSEHOLD HOT WATER
Connection scheme 2
expansion container
cleaning element
radiators
el. zone valve
boiler

Related product manuals