EasyManua.ls Logo

Biodom 27 A - Connection Schemes; Scheme Nr.1: Heating Only

Biodom 27 A
59 pages
Print Icon
To Next Page IconTo Next Page
To Next Page IconTo Next Page
To Previous Page IconTo Previous Page
To Previous Page IconTo Previous Page
Loading...
Biodom 27 A | instructions for use, maintenance and installation | March 2019
44
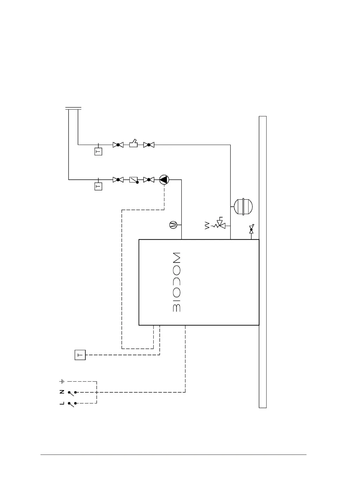
17. CONNECTION SCHEMES
17.1. SCHEME NR.1: HEATING ONLY
Connection scheme 1
cleaning element
expansion container

Related product manuals