EasyManua.ls Logo

Biodom 27 A - Page 45

Biodom 27 A
59 pages
Print Icon
To Next Page IconTo Next Page
To Next Page IconTo Next Page
To Previous Page IconTo Previous Page
To Previous Page IconTo Previous Page
Loading...
Biodom 27 A | instructions for use, maintenance and installation | March 2019
45
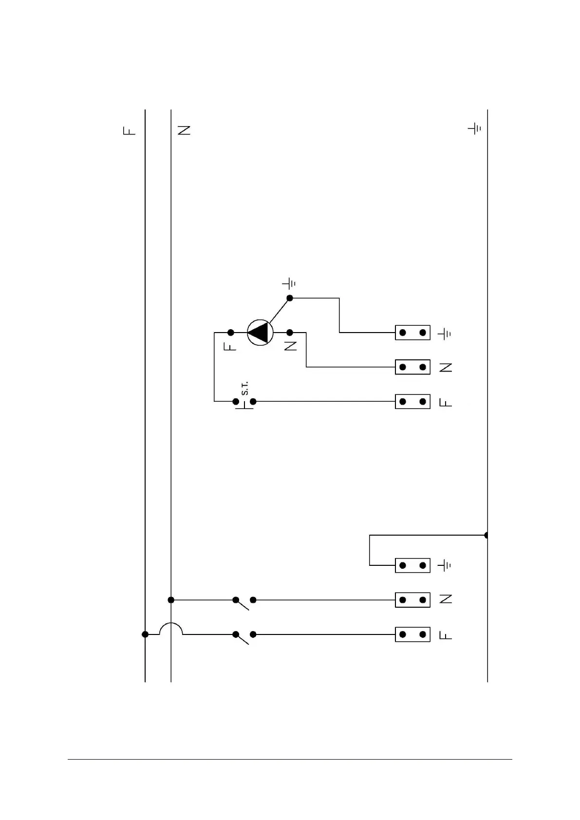
Connection scheme 1
BOILER EARTHING MANDATORY
BIODOM SUPPLY
radiator pump
PUMP SUPPLY
S.T. – room thermostat

Related product manuals