EasyManua.ls Logo

BIRD MARK 7 - Page 45

Default Icon
58 pages
Print Icon
To Next Page IconTo Next Page
To Next Page IconTo Next Page
To Previous Page IconTo Previous Page
To Previous Page IconTo Previous Page
Loading...
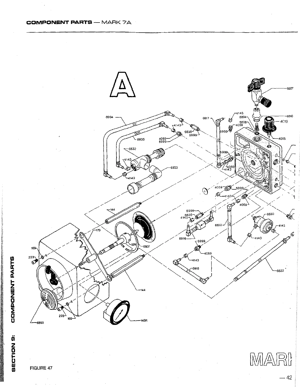
COMPONENT
PARTS
MARK
7A
COMPONENT
PARTS
SECTION
9:
meo
MARE

Related product manuals