EasyManua.ls Logo

BIRO 1433 - Wiring Diagrams: 115 V & 208-230 V (6 Leads)

BIRO 1433
40 pages
Print Icon
To Next Page IconTo Next Page
To Next Page IconTo Next Page
To Previous Page IconTo Previous Page
To Previous Page IconTo Previous Page
Loading...
24
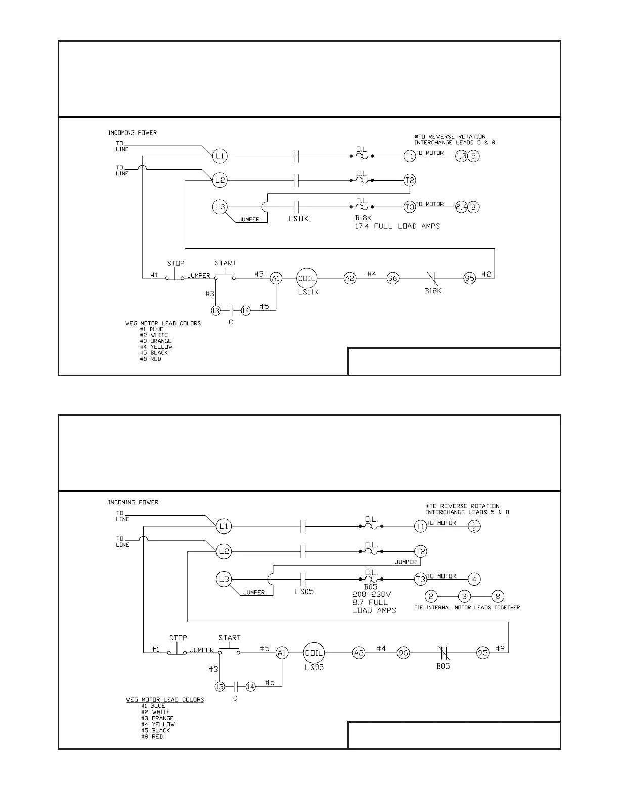
1.5HP WEG MOTOR: M40-158ES1BF56W
115 VOLT WITH 6 LEADS
SCHEMATIC USING 1 PH AEG LS11K CONTACTOR WITH B18K OVERLOAD
W.T. SWITCH FOR 115 VOLT, SINGLE PHASE, 60 CYCLE WEG MOTOR 1-1/2HP WITH
6 MOTOR LEADS
208-230 VOLT WITH 6 LEADS
SCHEMATIC USING 1 PH AEG LS05 CONTACTOR WITH B05 OVERLOAD
W.T. SWITCH FOR 208-230 VOLT, SINGLE PHASE, 60 CYCLE WEG MOTOR 1-1/2 HP WITH
6 MOTOR LEADS
1.5HP WEG MOTOR: M40-158ES1BF56W

Related product manuals