EasyManua.ls Logo

Bison 6620 - Scope of Manual; Precision Machine Vises Applications; Construction of Precision Machine Vises

Bison 6620
20 pages
Print Icon
To Next Page IconTo Next Page
To Next Page IconTo Next Page
To Previous Page IconTo Previous Page
To Previous Page IconTo Previous Page
Loading...
3
1. SCOPE OF MANUAL
The manual covers characteristic, operating and maintenance of precision
machine vises of 6620, 6621, 6622, 6623 and 6624 type.
2. PRECISION MACHINE VISES APPLICATIONS
Precision machine vises are used for precision milling and grinding operations
on CNC and conventional machine tools. The design, accuracy and quality ensure
exact positioning the workpiece and obtaining large clamping forces. Vises may be
also set up into machining units directly on machine table for clamping large
workpieces or multi-machining.
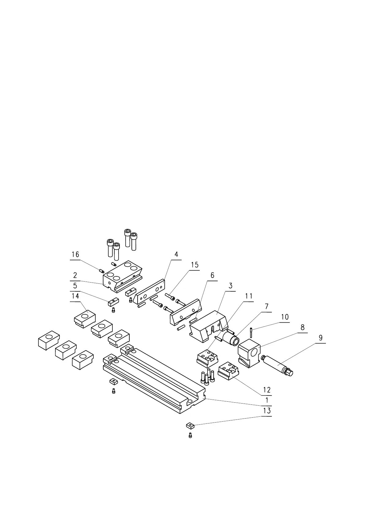
3. CONSTRUCTION OF PRECISION MACHINE VISES
Construction of precision machine vises of 6620 is shown at Fig. 1 and 2.
Fig. 1. Construction of precision machine vises of 6620.