EasyManua.ls Logo

Bitzer OSNA8571-K - 4.8 ECO Operation with Subcooling Circuit; 4.8.1 Subcooling Circuit Operation

Bitzer OSNA8571-K
108 pages
Print Icon
To Next Page IconTo Next Page
To Next Page IconTo Next Page
To Previous Page IconTo Previous Page
To Previous Page IconTo Previous Page
Loading...
46 SH-510-1
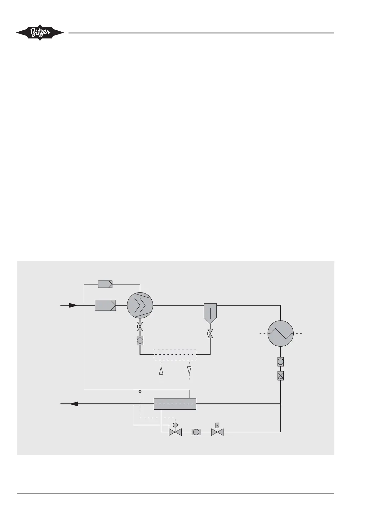
The pressure level at the ECO suction
point is similar to the intermediate
pressure with 2-stage compressors.
This means that an additional sub-
cooling circuit or intermediate pres-
sure receiver for 2-stage expansion
can be integrated into the system.
This measure achieves a significantly
higher cooling capacity through addi-
tional liquid subcooling. At the same
time, there is a relatively low increase
in the compressor’s power input, as
the total working process becomes
more efficient – due to the higher suc-
tion pressure, among other things.
ECO operation with subcooling
circuit
With this operation mode a heat ex-
changer is utilizied as a liquid sub-
cooler. A part of the refrigerant mass
flow from the condenser enters the
subcooler via an expansion device,
and evaporates upon absorbing heat
from the counterflowing liquid refriger-
ant (subcooling). The superheated
La pression au raccord d'aspiration ECO
se situe à un niveau équivalent à la pres-
sion intermédiaire des compresseurs bi-
étagés. Par conséquent, un circuit sup-
plémentaire de sous-refroidissement ou
un réservoir de pression intermédiaire
pour détente bi-étagée peuvent être inté-
grés dans le système. Cet artifice engen-
dre une élévation perceptible de la puis-
sance frigorifique par sous-refroidisse-
ment de liquide supplémentaire. A l'oppo-
sé, la puissance absorbée par le com-
presseur n'augmente que légèrement
étant donné que le processus de travail
devient globalement plus efficient – entre
autre à cause de la pression d'aspiration
plus élevée.
Fonctionnement ECO avec circuit de
sous-refroidissement
Pour ce mode de fonctionnement, un
échangeur de chaleur fait office de sous-
refroidisseur de liquide. Une partie du flui-
de frigorigène issu du condenseur est
injectée dans le sous-refroidisseur à l'ai-
de d'un organe de détente et s'évapore
sous l'effet de l'apport de chaleur venant
du fluide frigorigène liquide qui circule à
Die Drucklage am ECO-Saugan-
schluss liegt auf einem ähnlichen
Niveau wie der Zwischendruck bei
2-stufigen Verdichtern. Damit kann ein
zusätzlicher Unterkühlungskreislauf
oder Mitteldruck-Sammler für 2-stufige
Entspannung im System integriert
werden. Diese Maßnahme bewirkt
durch zusätzliche Flüssigkeits-Unter-
kühlung eine deutlich erhöhte Kälte-
leistung. Der Leistungsbedarf des
Verdichters erhöht sich hingegen ver-
gleichsweise geringfügig, da der
Arbeitsprozess insgesamt effizienter
wird – u. a. wegen des höheren
Ansaugdrucks.
ECO-Betrieb mit Unterkühlungs-
Kreislauf
Bei dieser Betriebsart ist ein Wärme-
übertrager als Flüssigkeits-Unterküh-
ler vorgesehen. Dabei wird ein Teil-
strom des aus dem Verflüssiger kom-
menden Kältemittels über ein Expan-
sionsorgan in den Unterkühler einge-
speist und verdampft unter Wärme-
aufnahme aus der gegenströmenden
Abb. 20 ECO-System mit Unterkühlungs-
Kreislauf
Fig. 20 ECO system with subcooling
circuit
V e r d a m p f e r / E v a p o r a t o r / E v a p o r a t e u r
E C O
Fig. 20 Système ECO avec circuit de sous-
refroidissement

Table of Contents

Related product manuals