EasyManua.ls Logo

Bitzer OSNA8571-K - Page 94

Bitzer OSNA8571-K
108 pages
Print Icon
To Next Page IconTo Next Page
To Next Page IconTo Next Page
To Previous Page IconTo Previous Page
To Previous Page IconTo Previous Page
Loading...
94 SH-510-1
OA14011
OA25012
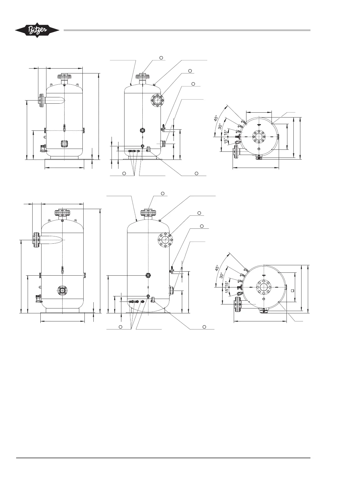
Anschluss-Positionen
1 Kältemittel-Eintritt
2 Kältemittel-Austritt
3 Öl-Austritt
4 Öleinfüll-Anschluss
5 Service-Anschluss
6 Öl-Thermostat-Anschluss
7 Anschluss für Ölheizung
8 Anschluss für Ölniveau-Wächter
9 Anschluss für Druckentlastungs-
Ventil
Rotalock
Gewinde passend in vormontierte
Tauchhülse
Flansch nach DIN 2635
Connection positions
1 Refrigerant inlet
2 Refrigerant outlet
3 Oil outlet
4 Oil fill connection
5 Service connection
6 Oil thermostat connection
7 Oil heater connection
8 Oil level switch connection
9 Connection for pressure relief
valve
Rotalock
Thread fits in pre-mounted heater
sleeve.
Flange according to DIN 2635
Position des raccords
1 Entrée de fluide frigorigène
2 Sortie de fluide frigorigène
3 Sortie d'huile
4 Raccord pour le remplissage d'huile
5 Raccord pour service
6 Raccord de thermostat d'huile
7 Raccord de chauffage d'huile
8 Raccord de contrôleur de niveau
d'huile
9 Raccord pour soupape de décharge
Rotalock
Filetage approprié dans doigt de gant
pré-assemblé.
Bride suivant DIN 2635
1 8 9 7
Ø 8 0 0
1 3 2 8
1 0
1 8 0 Ø 7 6 2
6 8 3
3 0 8
2 0 8
5
7 / 1 6 ' ' - 2 0 U N F D N 1 2 5
9
1 1 / 4 ' ' - 1 2 U N F
4 0 8
7 5 8
6 8 3
4 2
D N 1 2 5
Ø 2 2 ( 7 / 8 ' ' )
3
Ø 7 6 ( 3 ' ' )
3 / 8 ' ' - 1 8 N P T F
8
1 3 / 4 ' ' - 1 2 U N F 3 / 8 ' ' - 1 8 N P T F
9 7 5
8 3 1
8 6 0
5 3 0
Ø 1 8
3 1 1
6
2
7
2
4
1
2
3
1
3
Ø 6 5 0
1 0
1 5 6 9
1 3 6
Ø 7 0 0
1 0 7 8
5 3 8
D N 1 0 0
2 5 8
1 6 8
7 / 1 6 ' ' - 2 0 U N F
5
3 / 8 ' ' - 1 8 N P T F
2 9 8
5 5 8
4 2
1 1 / 4 ' ' - 1 2 U N F
9
D N 1 0 0
Ø 2 2 ( 7 / 8 ' ' )
3
Ø 5 4 ( 2 1 / 8 ' ' )
3 / 8 ' ' - 1 8 N P T F1 3 / 4 ' ' - 1 2 U N F
8
8 1 9
7 6 0
4 6 0
7 2 5
4 6 0
2 6 8
Ø 1 4
6
2
7
2
4
1
2
3
1
3

Table of Contents

Related product manuals