EasyManua.ls Logo

Blastrac EBE 350 E - Page 106

Blastrac EBE 350 E
114 pages
Print Icon
To Next Page IconTo Next Page
To Next Page IconTo Next Page
To Previous Page IconTo Previous Page
To Previous Page IconTo Previous Page
Loading...
EBE 350 E Operating Instructions
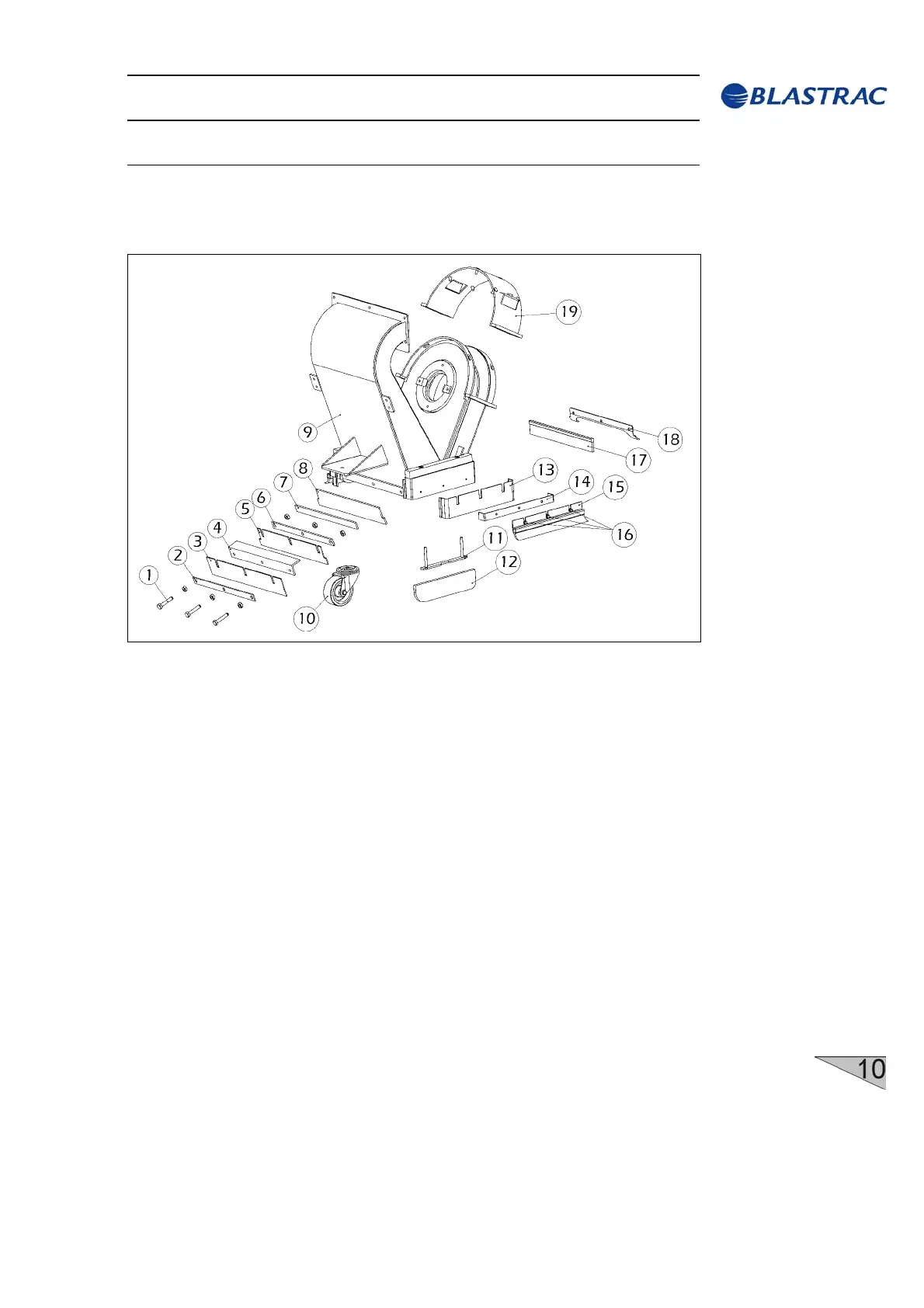
Spare parts
Fig. 10.1
3