EasyManua.ls Logo

BLAUBERG Calm - Wiring Diagrams - Speed Control; Calm 150;Max 150 Speed Control Wiring; Calm 150 S;Max 150 S Wiring Configurations

BLAUBERG Calm
20 pages
Print Icon
To Next Page IconTo Next Page
To Next Page IconTo Next Page
To Previous Page IconTo Previous Page
To Previous Page IconTo Previous Page
Loading...
10
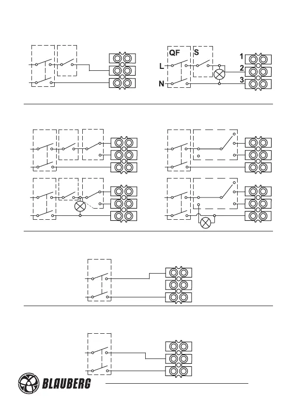
Calm 150
Calm MAX 150
1
2
3
N
L
QF
S
Calm 150
Calm MAX 150
1
2
3
S
N
L
QF
S
speed
1
2
3
S
N
L
QF
S
speed
1
2
3
N
L
QF
CDP-2/5
1
2
3
N
L
QF
CDP-2/5
Calm150 S
Calm MAX 150 S
1
2
3
N
L
QF
1
2
3
N
L
QF
Calm 150 S
Calm MAX 150 S
Fig. 20
first speed
Fig. 18
second speed
Fig. 19
first and second speed
Fig. 21
second speed

Related product manuals