EasyManua.ls Logo

Blueridge BMKH09MCNS - Refrigerant Piping and Wall Penetration

Default Icon
28 pages
Print Icon
To Next Page IconTo Next Page
To Next Page IconTo Next Page
To Previous Page IconTo Previous Page
To Previous Page IconTo Previous Page
Loading...
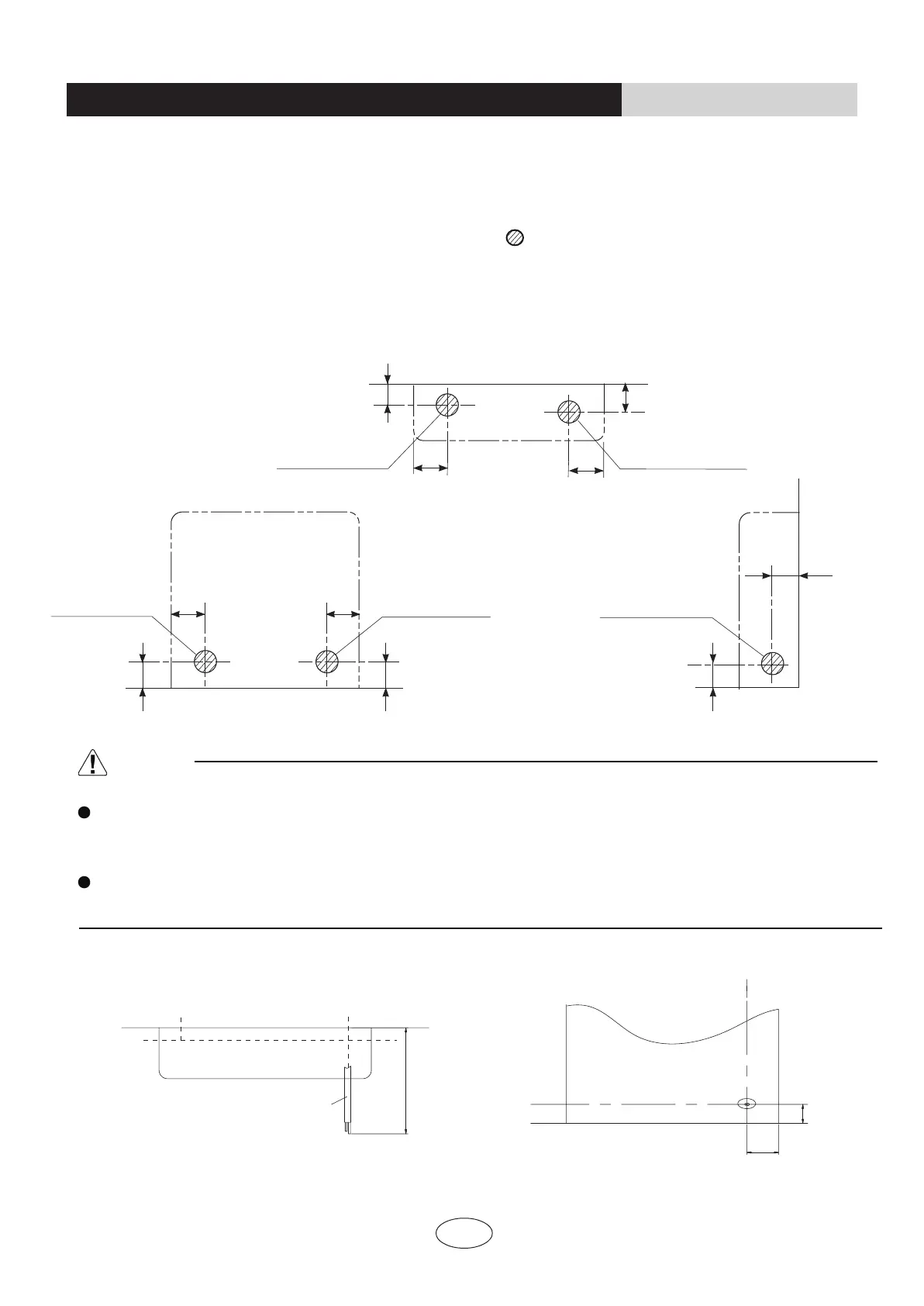
Refrigerant piping
1) Drill a hole ( 2.2in in diameter ) in the spot indicated by the symbol in the illustration as
below.
2) The location of
the hole is different depending on which side of the pipe is taken out.
3) For piping, see Connecting the refrigerant pipe, under Indoor Unit Installation(1).
4) Allow space around the pipe for a easier indoor unit pipe connection.
Min.allowable length
The suggested shortest pipe length is 98in, in order to avoid noise from the outdoor unit and vibration.
(Mechanical noise and vibration may occur depending on how the unit is installed and the environment in which it is
used.)
See the installation manual for the outdoor unit for the maximum pipe length.
CAUTION
13.77
wall
Refrigerant pipe
1.77
2.95
Floor
1.77
1.77
1.77
1.77
2.36
2.95
2.95
2.95
2.95
1.77
Left back piping
gnipipmottobthgiRgnipipmottobtfeL
Wall
(Unit : in)
Right back piping
Left/right piping
15
INSTALLATION INSTRUCTIONS
Installation of indoor unit

Related product manuals