EasyManua.ls Logo

Bluetti EP500 Pro - Page 8

Bluetti EP500 Pro
17 pages
Print Icon
To Next Page IconTo Next Page
To Next Page IconTo Next Page
To Previous Page IconTo Previous Page
To Previous Page IconTo Previous Page
Loading...
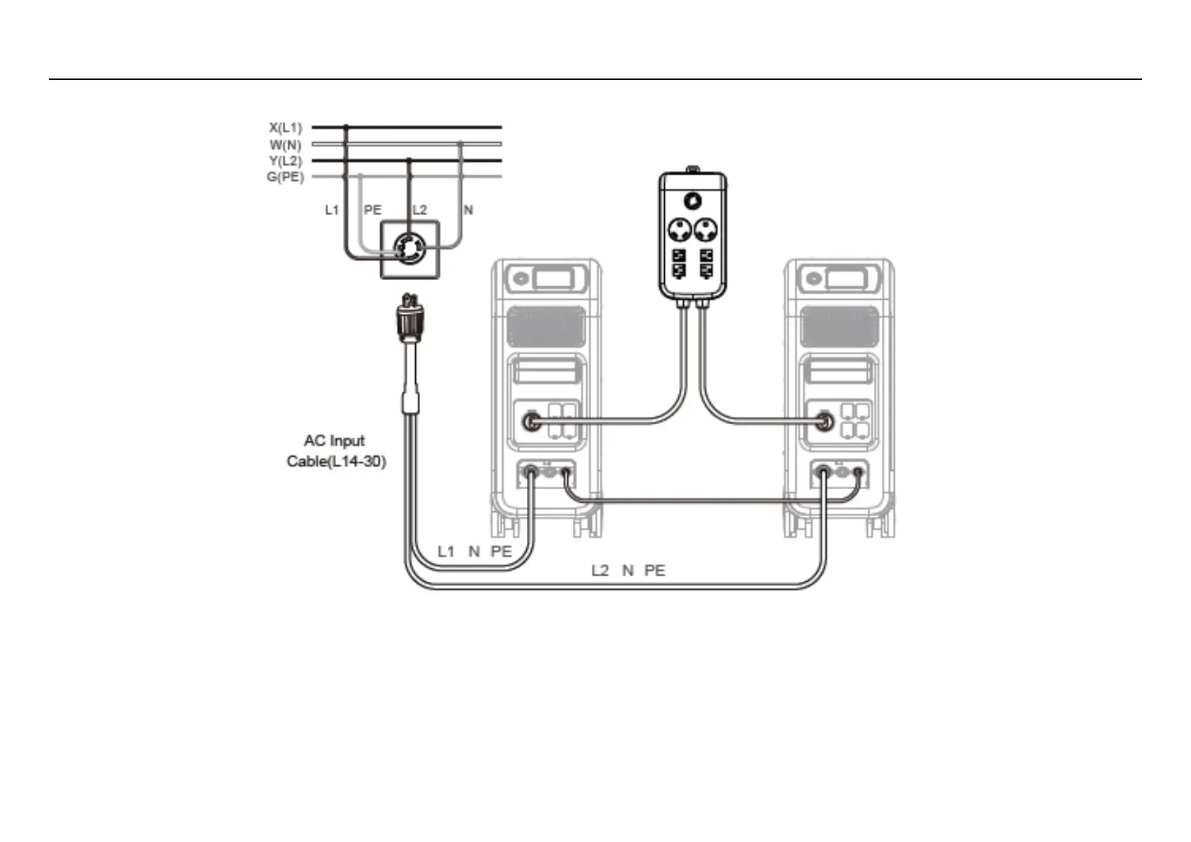
How to connect the EP500 Pro to the US utility power
8

Related product manuals