EasyManua.ls Logo

Bluetti EP600 - Page 17

Bluetti EP600
21 pages
Print Icon
To Next Page IconTo Next Page
To Next Page IconTo Next Page
To Previous Page IconTo Previous Page
To Previous Page IconTo Previous Page
Loading...
17
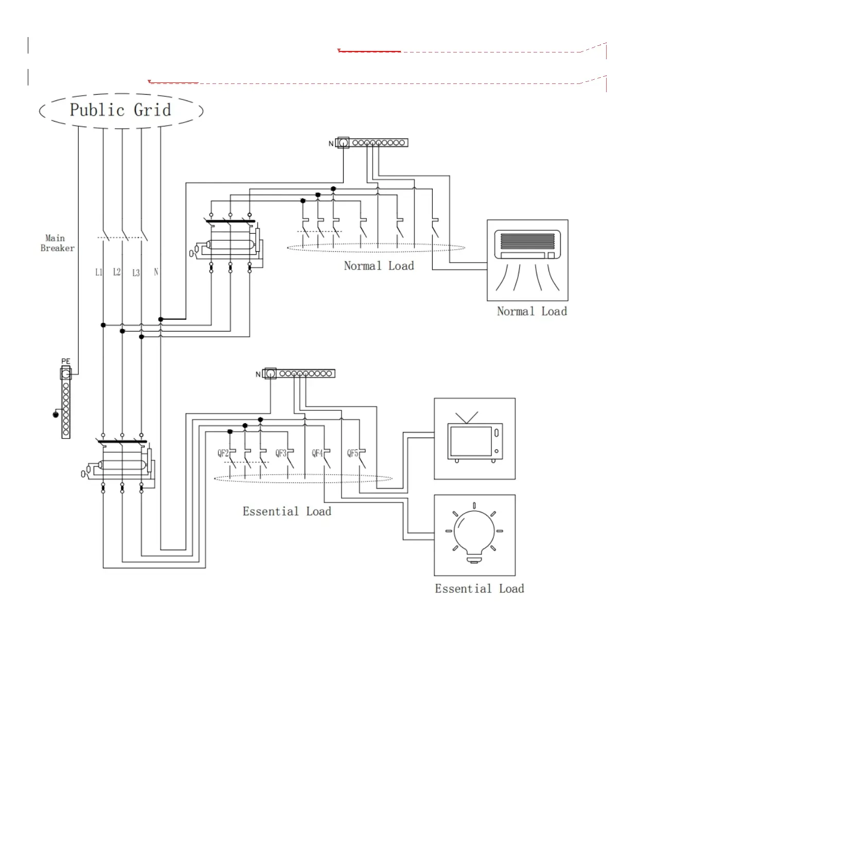
4.11.4.2 How to connect the transfer switch to the residential circuit
Following is a example residential circuit before EP600 installation
home
home

Other manuals for Bluetti EP600

Related product manuals