EasyManua.ls Logo

Bosch 830 ES - Components Diagram (Group 5)

Bosch 830 ES
80 pages
Print Icon
To Next Page IconTo Next Page
To Next Page IconTo Next Page
To Previous Page IconTo Previous Page
To Previous Page IconTo Previous Page
Loading...
Interior components diagram and parts list
830 ES – 6 720 644 936 (2021/08)
74
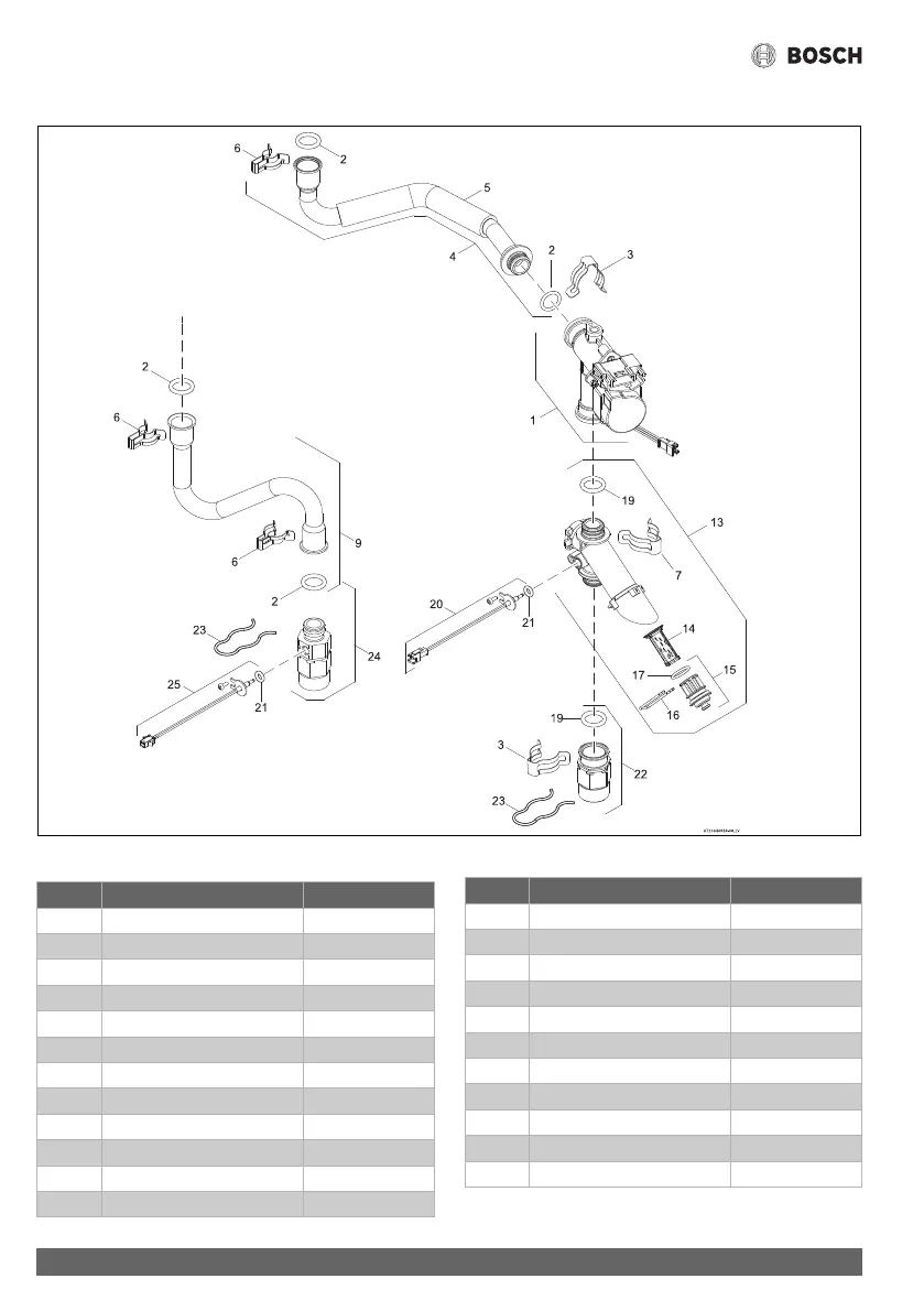
13.2.5 Group 5
Fig. 73 Components Diagram
Table 46
Item Description Reference
1 Water valve with engine 8 708 505 023 0
2 O-ring 8 700 205 147 0
3 Clip 8 716 102 607 0
4 Pipe 8 738 703 468 0
5 Insulation 8 703 303 027 0
6 Clip 8 701 201 028 0
7 Bypass valve 8 738 704 185 0
9 Pipe 8 738 703 311 0
10 Clip bypass 8 701 201 020 0
12 O-ring bypass 8 700 205 129 0
13 Hydraulic block 8 738 704 672 0
14 Filter 8 700 507 059 0
15 Filter cover 8 738 702 550 0
16 Wireform spring 8 704 705 029 0
17 O-ring filter cover 8 700 205 312 0
18 Wireform spring 8 704 705 055 0
19 O-ring 8 700 205 157 0
20 Temperature sensor 8 700 400 042 0
21 O-ring 8 700 205 310 0
22 Connection bush 8 738 702 558 0
23 Clip 8 701 300 025 0
24 Connection bush 8 738 702 548 0
25 Temperature sensor 8 700 400 033 0
Item Description Reference

Table of Contents

Other manuals for Bosch 830 ES

Related product manuals