EasyManua.ls Logo

Bosch CU-304-0503 - Figure 4 Grounding Scheme; Grounding Scheme

Bosch CU-304-0503
15 pages
Print Icon
To Next Page IconTo Next Page
To Next Page IconTo Next Page
To Previous Page IconTo Previous Page
To Previous Page IconTo Previous Page
Loading...
CCU | Operations Manual
20 | 20
Robert Bosch Engineering and Business Solutions Private Limited | September 19, 2020
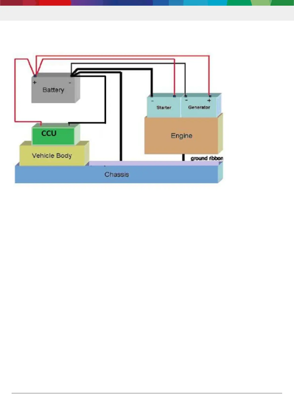
8 Grounding Scheme
The grounding scheme for Gen2A is as seen below:
Figure 4 Grounding Scheme

Related product manuals