EasyManua.ls Logo

Bosch LTC 8500 - Logging Printer

Bosch LTC 8500
104 pages
Print Icon
To Next Page IconTo Next Page
To Next Page IconTo Next Page
To Previous Page IconTo Previous Page
To Previous Page IconTo Previous Page
Loading...
EN | 14 Bosch Security Systems | December 13, 2005
6.23 Logging Printer
An optional RS-232 serial printer may be connected to this system to provide a per-
manent record of significant system status changes. Time and date is printed for sys-
tem events such as alarms, start-up after power failure, sequence loading, operator
log-on/log-off to keyboards, and download of information from the optional MCS.
The printer may also be used to obtain hard copies of all system tables and
sequences.
NOTE The printer port does not provide a standardized pin-out connection. If desired,
a cable can be made up at installation, by following the cable pin-out informa-
tion provided at the end of this manual.
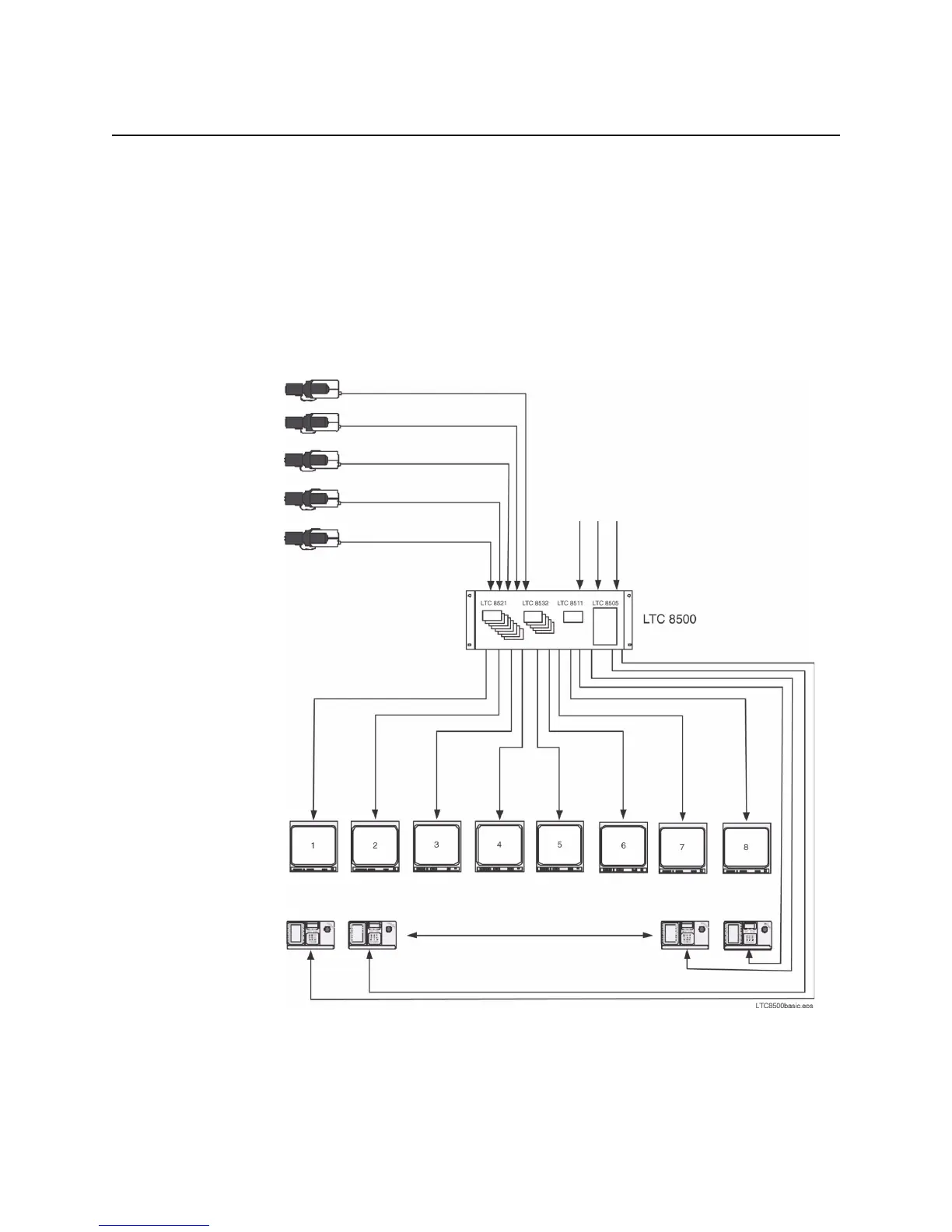
LTC 8500 Series Video Switching Configuration
Figure 1: LTC 8500 Series Basic Video Switching Configuration
Main CPU Bay
Supports up to 64
Video Inputs
Supports up to 8
Monitor Inputs
Maximum of 8 Allegiant Keyboards, up to
1.5 k m (5 000 ft) away using Optional
Remote Hookup Kit

Table of Contents

Related product manuals