EasyManua.ls Logo

Bosch TR2000T Series - Regulations, Layout, and Wiring; Appliance Components and Electrical Diagram; Installation Regulatory Compliance

Bosch TR2000T Series
20 pages
Print Icon
To Next Page IconTo Next Page
To Next Page IconTo Next Page
To Previous Page IconTo Previous Page
To Previous Page IconTo Previous Page
Loading...
8
Regulations
TR2000T – 6 720 885 113 (2018/04)
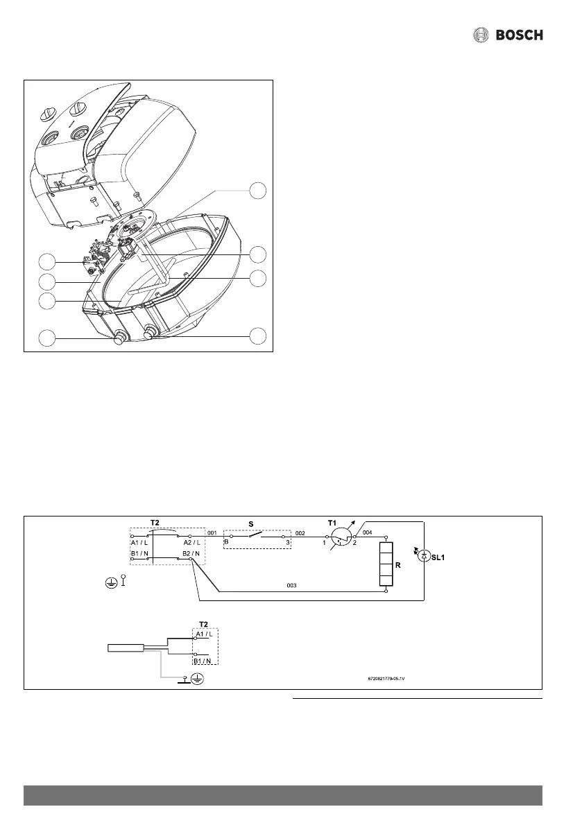
2.6 Appliance layout
Fig. 4 Appliance composition
[1] Tank
[2] Insulating material: polyurethane without CFC
[3] Heating element
[4] Hot water outlet ½ ” male
[5] Cold water inlet½ ” male
[6] Magnesium anode
[7] Thermal cut out
[8] Thermostat
2.7 Electrical wiring diagram
Fig. 5 Electric circuit diagram
3Regulations
The country’s regulations currently in force must be fulfilled for
the installation of the electric appliances.
1
2
7
6
3
4
5
6720821791-01.V2
8