EasyManua.ls Logo

Bosch US7 - Schéma Électrique

Bosch US7
48 pages
Print Icon
To Next Page IconTo Next Page
To Next Page IconTo Next Page
To Previous Page IconTo Previous Page
To Previous Page IconTo Previous Page
Loading...
Informations relatives au chauffe-eau | 37US
6 720 647 005 (2011/09)
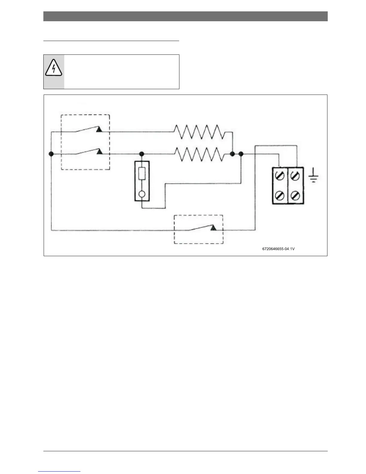
2.6 Schéma électrique
Fig. 2 Schéma de câblage interne
DANGER : Risque de choc électrique !
B Toujours couper l'alimentation électrique
de l'unité avant de retirer le capot ou d'ef-
fectuer tout service d'entretien.
Neon
Résistances électriques
Sélecteur d
'alimentation et fluxostat
Protecteur thermique à réenclenchement manuel
Alimentation électrique

Table of Contents

Related product manuals