EasyManua.ls Logo

Bowflex BXT116 - Electrical Wiring Diagram

Bowflex BXT116
179 pages
Print Icon
To Next Page IconTo Next Page
To Next Page IconTo Next Page
To Previous Page IconTo Previous Page
To Previous Page IconTo Previous Page
Loading...
31
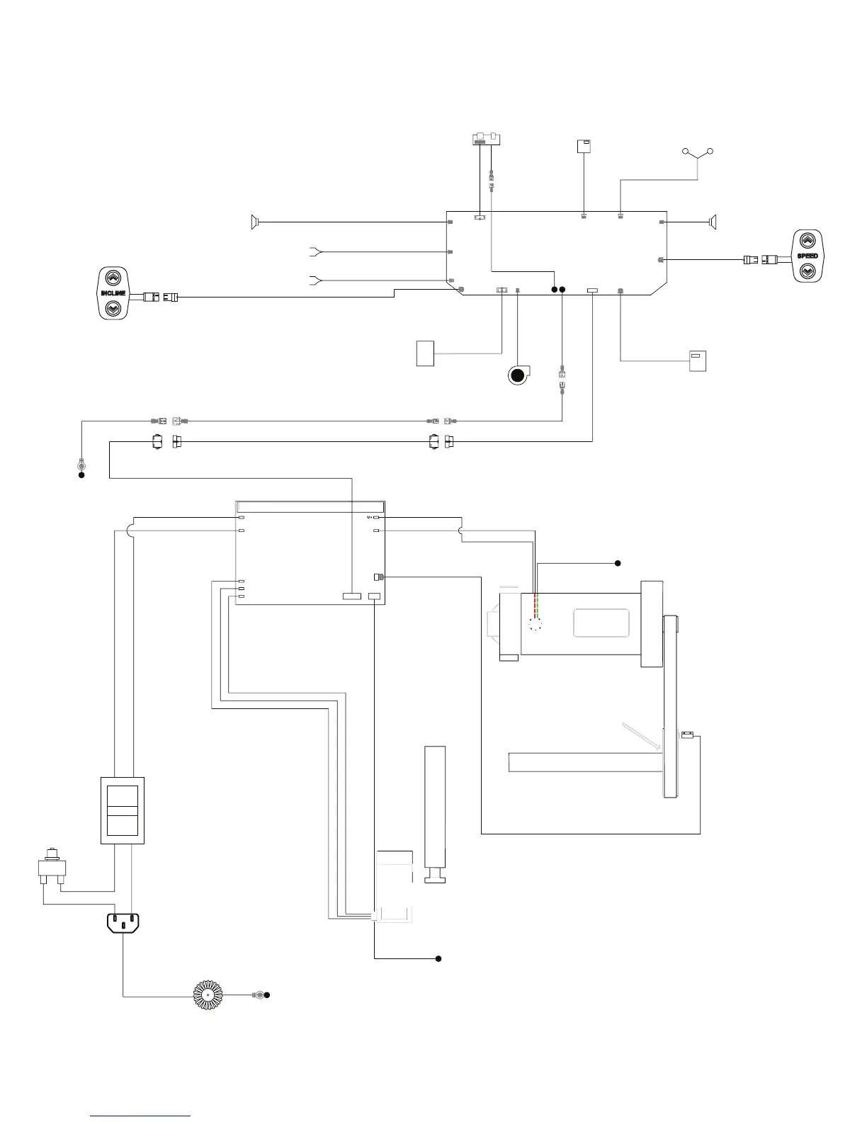
ELECTRICAL WIRING DIAGRAM
MCB
M-
RED
BLACK
DOWN
UP
COM
ACN
ACL
WALK BELT FRONT PULLEY AND SHAFT
DRIVE
MOTOR
DRIVE BELT
CIRCUIT
BREAKER
SWITCH
PWR
3 2
4 1
L
N
G
ERGOBAR
INCLINE
ERGOBAR
SPEED
RIGHT
LEFT
FERRITE
CHOKE
POWER
INLET
ON/OFF
LIFT
MOTOR
MOTOR
UPRIGHTS
SPEED SENSOR
E STOP
PCBA
STOP/FAN
PCBA
START/VOL
LEFT
SPEAKER
ASSY
TO HR CONTACTS
USB PCB
WIRELESS HR
ASSY
FAN
RIGHT
SPEAKER
ASSY
CONSOLE
PCB
EARTH GROUND
EARTH GROUND
EARTH GROUND
EARTH GROUND

Other manuals for Bowflex BXT116

Related product manuals