EasyManua.ls Logo

Bradley S19-323 - Schematic

Bradley S19-323
14 pages
Print Icon
To Previous Page IconTo Previous Page
To Previous Page IconTo Previous Page
Loading...
14
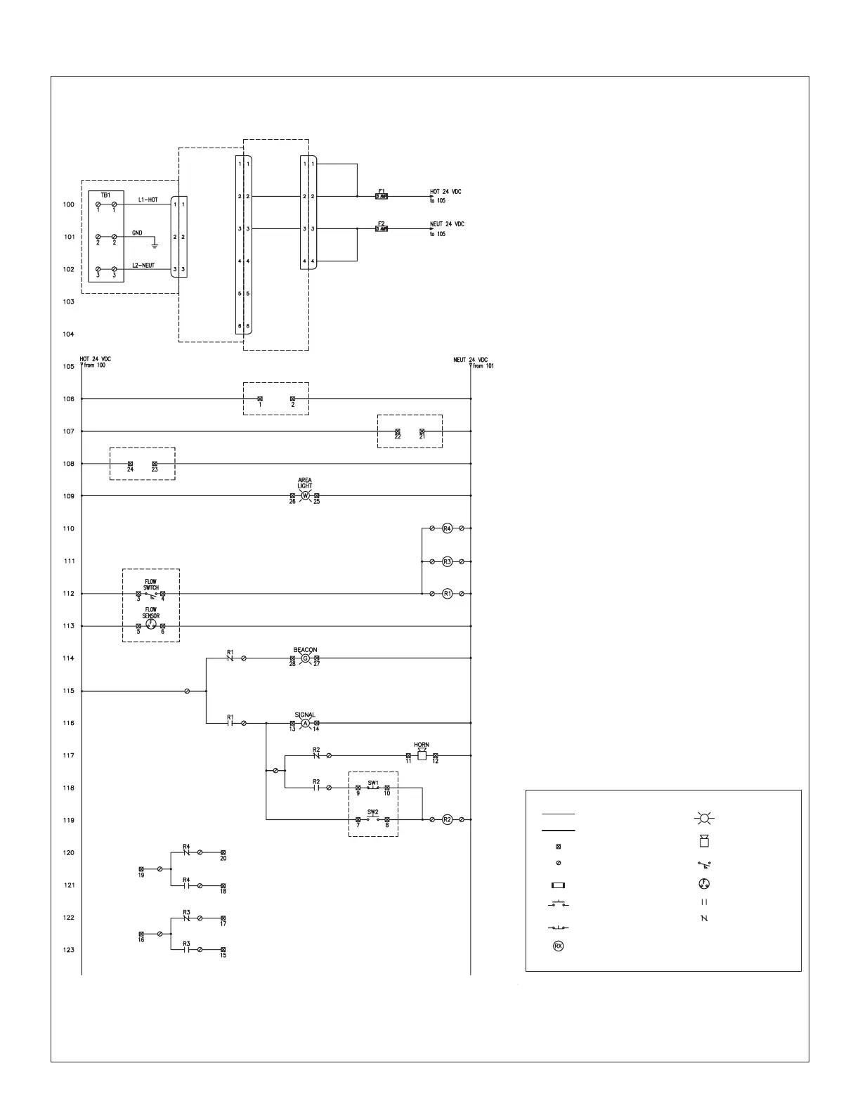
S19-323, S19-324 Installation
11/21/2017 Bradley • 215-1846 Rev. C; ECN 17-05-068
Schematic
FUSE
NORMALLY OPEN
SWITCH
RELAY COIL
NORMALLY OPEN
NORMALLY CLOSED
LIGHT
HORN
FLOW SWITCH
FLOW SENSOR
COMPONENT SOLDERED
WIRE
LEGEND
CONTACT
CONTACT
INTERNAL JUMPER
TERMINAL BLOCK
CONNECTION
NORMALLY OPEN
CONNECTION
NORMALLY CLOSED
SWITCH
UNSWITCHED
24 VDC OUTPUT
S83-346
S83-345
S83-344
UNSWITCHED
24 VDC OUTPUT
UNSWITCHED
24 VDC OUTPUT
R4
R3

Other manuals for Bradley S19-323

Related product manuals