EasyManua.ls Logo

Brainchild P41 - Chapter 5 Applications; Heat Treatment Oven Application

Brainchild P41
100 pages
Print Icon
To Next Page IconTo Next Page
To Next Page IconTo Next Page
To Previous Page IconTo Previous Page
To Previous Page IconTo Previous Page
Loading...
Chapter 5 ApplicationsChapter 5 Applications
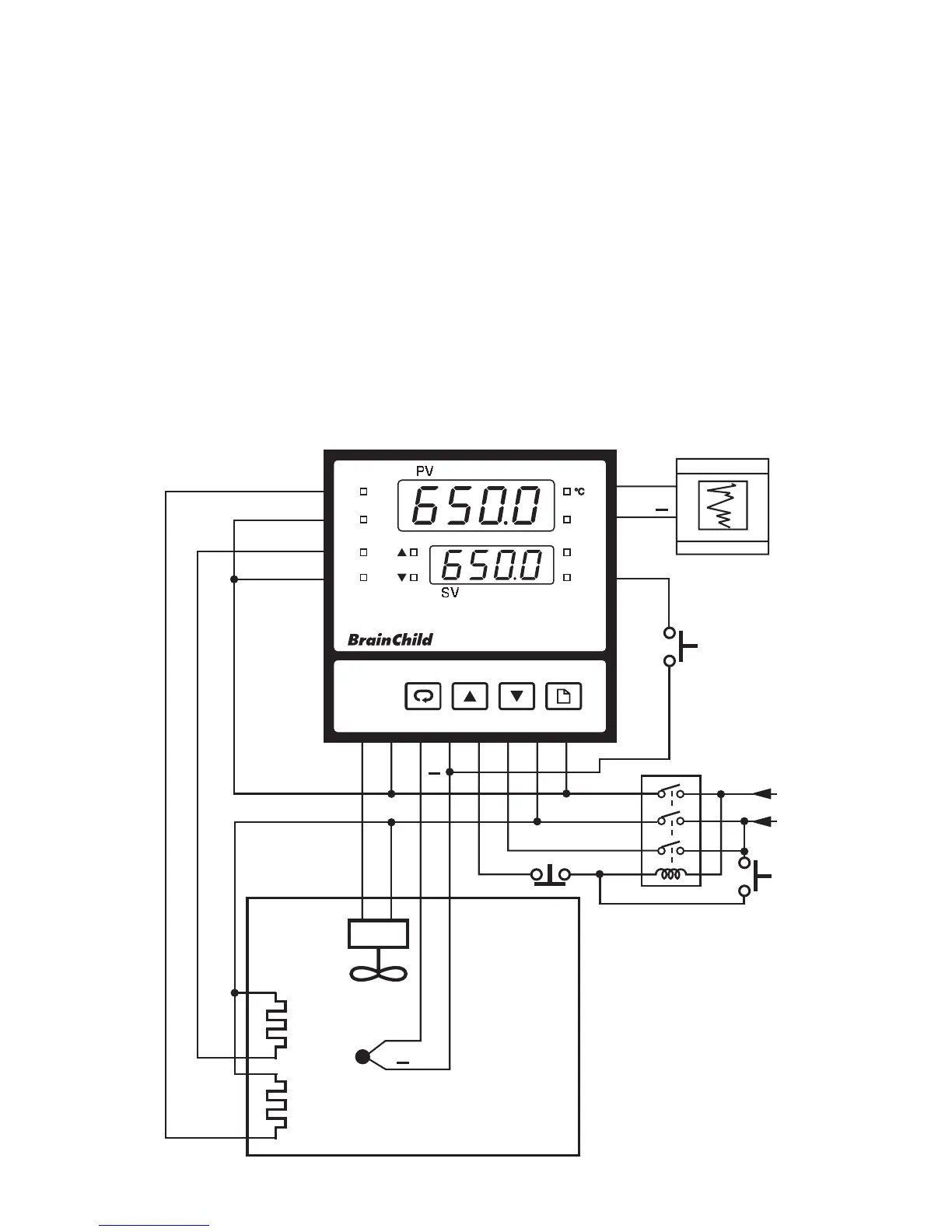
A heat treatment oven need to vary temperature as a function of time.
Because the process requires a rapid increase of temperature as it is
heated and a rapid decrease of temperature as it is cooled. In order to
achieve a rapid increase of temperature, an additional heater is turned
on at higher range of temperature. A cooling fan is turned on to
accelerate the cooling rate as the temperature falls fast. An alarm is
required to announce the operator as the procedure is finished.
Since the condition is changing when an additional heater is turned on,
the PID control parameter should be different from the case of single heater.
A P41 profiling controller is perfectly to meet the above requirements. The
system diagram is shown below:
P41
Out3
Out4
Out2
Out1
RUN
HLD
58
28
LCLC
LFLF
Main HeaterMain Heater
Aux.
Heater
Aux.
Heater
6 5 19 20 9 7 2 1
+
OFF
Mains
Supply
Mains
Supply
ON
EI
17
+
14
15
Recorder
Oven
Fan
+
Figure 5.1
A Heat Treatment Oven
Figure 5.1
A
Heat Treatment Oven
3
4
11
12
UM0P411A
78

Table of Contents

Related product manuals