EasyManua.ls Logo

Brainchild P41 - Key Operation Flowchart

Brainchild P41
100 pages
Print Icon
To Next Page IconTo Next Page
To Next Page IconTo Next Page
To Previous Page IconTo Previous Page
To Previous Page IconTo Previous Page
Loading...
DLLT
P2EV
HB
TGSP
P2EV
HB
DLLT
P2EV
HB
SEG
CYCL
SGNO
SGTY
FSP
CYCL
SEG
CYCL
SGNO
SGTY
TGSP
P2EV
HB
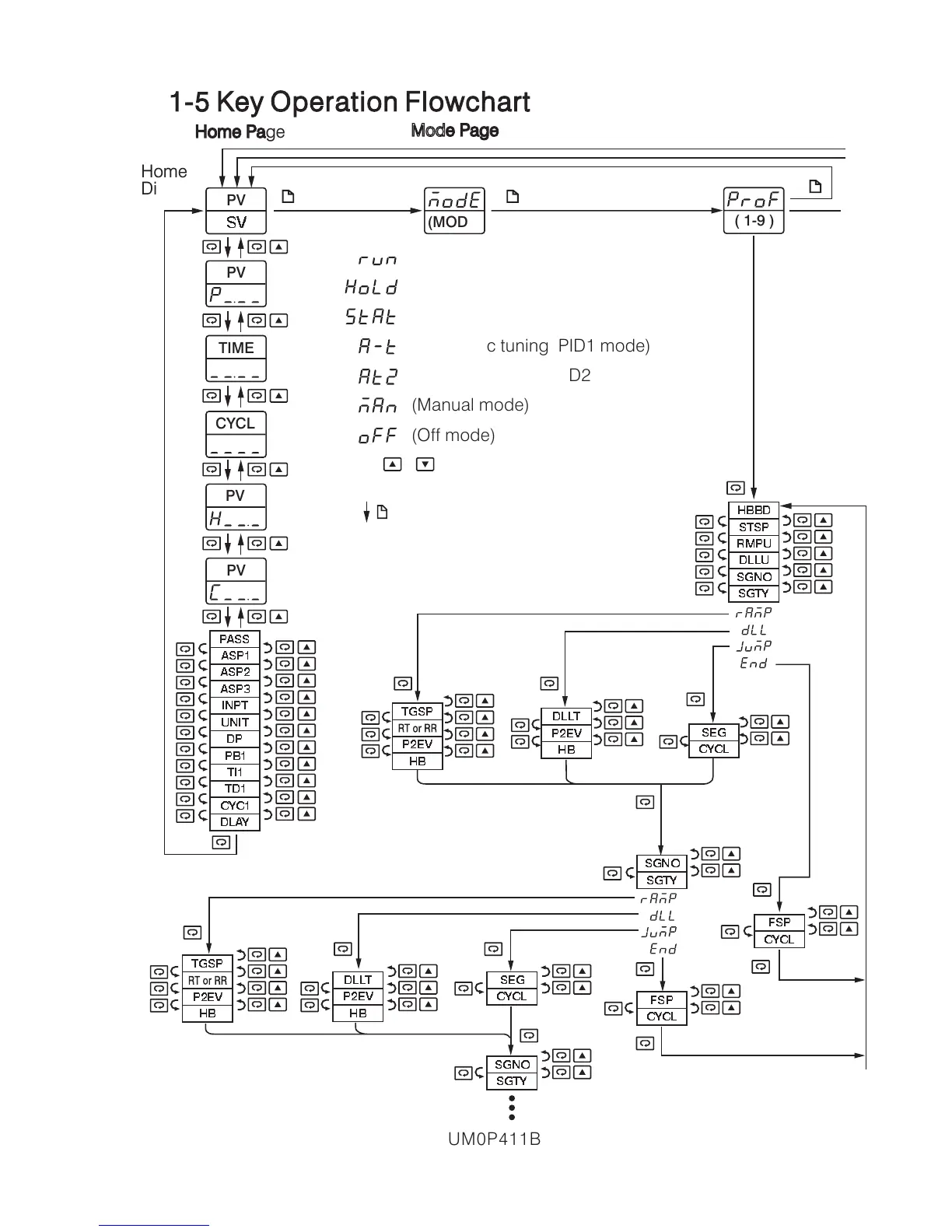
( 1-9 )
HBBD
STSP
RMPU
DLLU
SGNO
SGTY
FSP
CYCL
UM0P411B
1-5 Key Operation Flowchart1-5 Key Operation Flowchart
ASP1
PASS
ASP2
ASP3
INPT
DP
UNIT
PB1
TI1
TD1
DLAY
CYC1
PV
Home PageHome Page
Mode PageMode Page
58
PV
TIME
CYCL
PV
PV
(MODE)
(Profile run mode)
(Profile hold mode)
(Static mode)
(Automatic tuning PID1 mode)
(Manual mode)
(Off mode)
Home
Display
Home
Display
(Automatic tuning PID2 mode)
Using / key to select
desired mode, then
5sec.
Enters the selected mode
Profile PageProfile Page
15

Table of Contents

Related product manuals