EasyManua.ls Logo

Brano ATESO ALFA D2 - Page 10

Default Icon
17 pages
Print Icon
To Next Page IconTo Next Page
To Next Page IconTo Next Page
To Previous Page IconTo Previous Page
To Previous Page IconTo Previous Page
Loading...
The service book IV / ALFA 10 03-9940.186
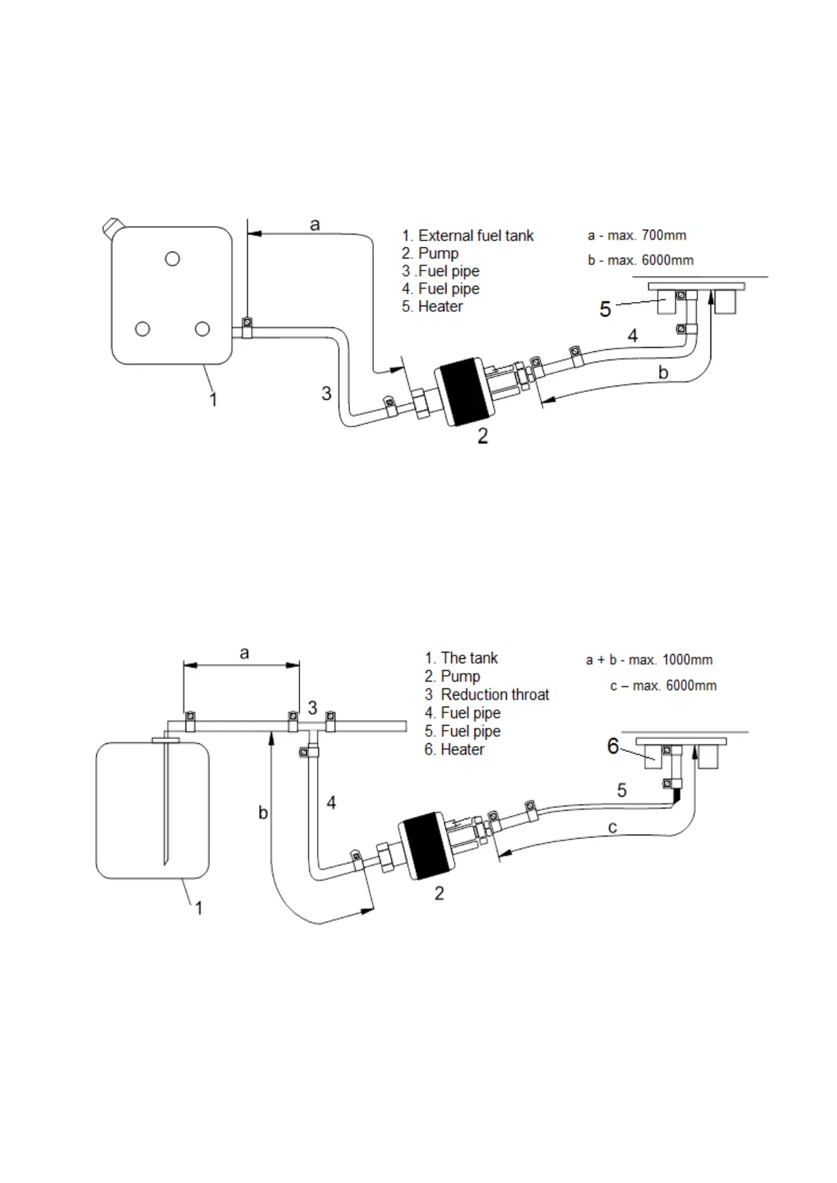
2. Taking the fuel from an extra fuel tank
It is necessary to use an extra tank where there is a petrol engine (e.g. with caravans, cabins etc.) and also
in the two above other cases, when the suction lift could exceed 1 000 mm during operation. It is advisable
to install an extra fuel tank as soon as the suction lift reaches over 500 mm. The additional fuel tank must
meet the directive 70/221/EHS and is subject to the approval of a government appointed test laboratory.
3. Taking the fuel with a branch at the fuel line of the vehicle.
This way can be only used in must vehicle built in where it is possible none of the above methods of
assembly and having fuel piping of outside diameter 10 mm max. The reduction socket must be connected
to the vehicle fuel line between the tank and the fuel pump (in front of the fuel filter). It is not possible to
mount it at the overflow pipe
Needle into the tank
Tank needle is intended for installation in plastic or metal tanks of the vehicle. For plastic tanks it must be
installed at reserved places (with thickness of the tank wall). If it be drilled the hole in another location, tank
could crack. The needle must be placed only on upper horizontal surface of the tank.

Related product manuals