EasyManua.ls Logo

Brano ATESO ALFA D2 - Page 9

Default Icon
17 pages
Print Icon
To Next Page IconTo Next Page
To Next Page IconTo Next Page
To Previous Page IconTo Previous Page
To Previous Page IconTo Previous Page
Loading...
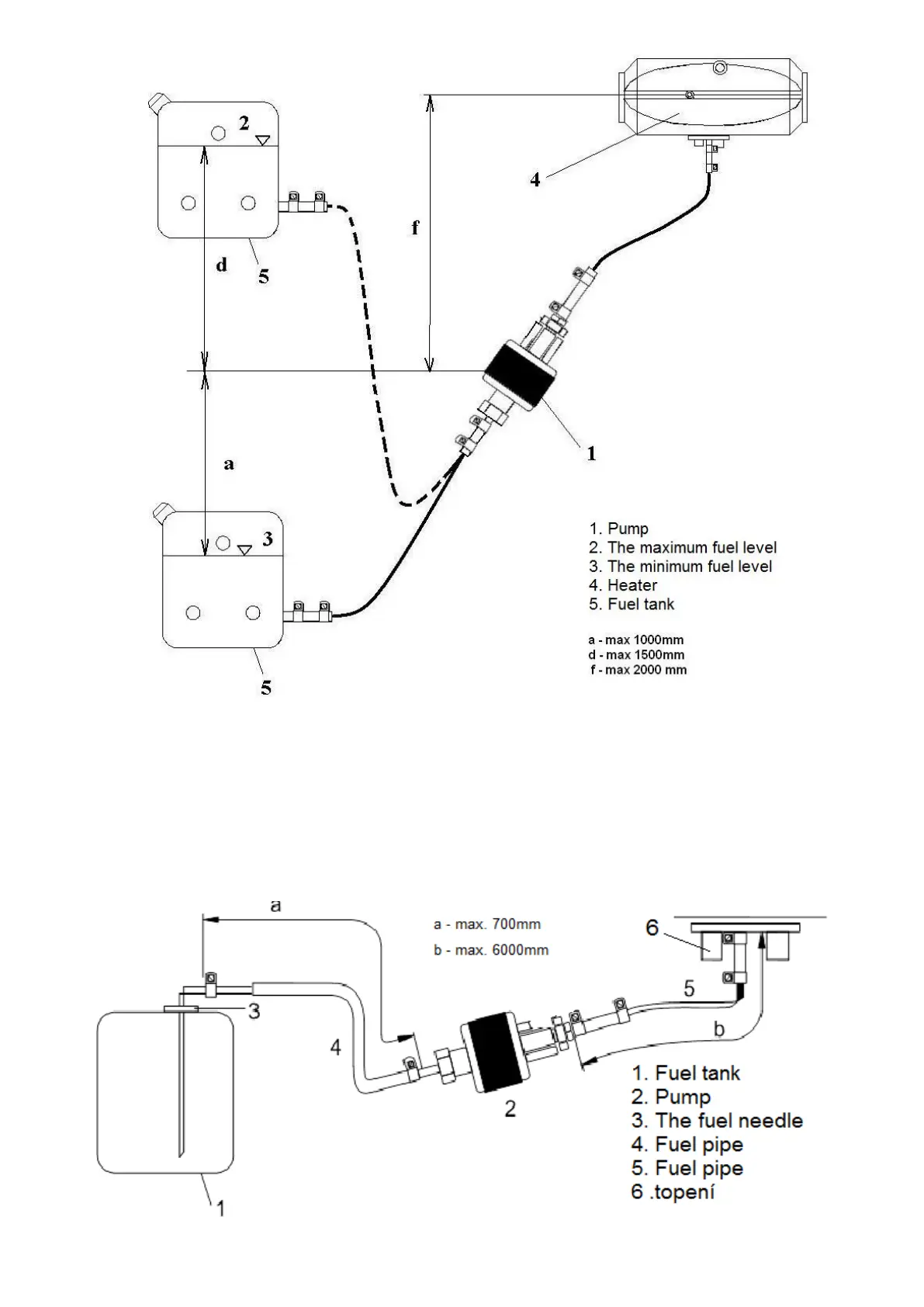
The service book IV / ALFA 9 03-9940.186
Fuel take-off for heating operation in practice is possible by three ways.
1. Taking the fuel from the vehicle tank by a needle
This is the most suitable and recommended method of fuel takes-off. This way may be used with all means
of transport, powered by a Diesel engine and it is recommended for vehicles whit turbocharger, where is
used an additional pump in the tank of a vehicle in which happen an overpressures in the fuel system of
vehicles (TDI,HDI,atd..) The fuel flow is not affected by the running engine. It is necessary to fit the length of
the fuel needle so that its end is approximately 20 mm over the bottom of the fuel tank. Its lower end must
be beveled.

Related product manuals