EasyManua.ls Logo

Branson 2800h - Page 157

Branson 2800h
184 pages
Print Icon
To Next Page IconTo Next Page
To Next Page IconTo Next Page
To Previous Page IconTo Previous Page
To Previous Page IconTo Previous Page
Loading...
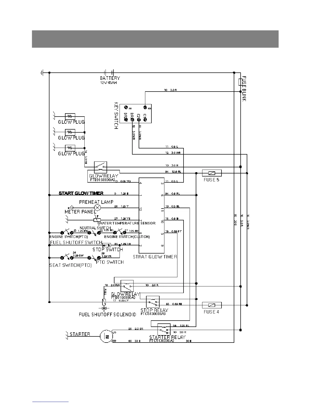
ELECTRIC SYSTEM
KUKJE MACHINERY CO., LTD.
154
2. WIRING DIAGRAM
<2> HST TRANSMISSION

Table of Contents

Related product manuals