EasyManua.ls Logo

Branson 3015h - 4 Wd

Branson 3015h
454 pages
Print Icon
To Next Page IconTo Next Page
To Next Page IconTo Next Page
To Previous Page IconTo Previous Page
To Previous Page IconTo Previous Page
Loading...
4
-
17
42hW-201601
CHAPTER 4 TRANSMISSION
4
3015R(h)/3515R(h)/4015R(h)/F36R(h)/F42R(h) TRACTOR
2.5 4WD
0$,1'5,9(
&2817(5
0):'
68%'5,9(
)
5
2
1
3
&
%
$
0):'
5DQJHVKLIW
372&/87&+3$&.
2
1
4
3
7
7
7
7
7
7
7
7
7
7
7
7
7
7
7
7
7
7
7
7
4
3
4
12
F42W424A
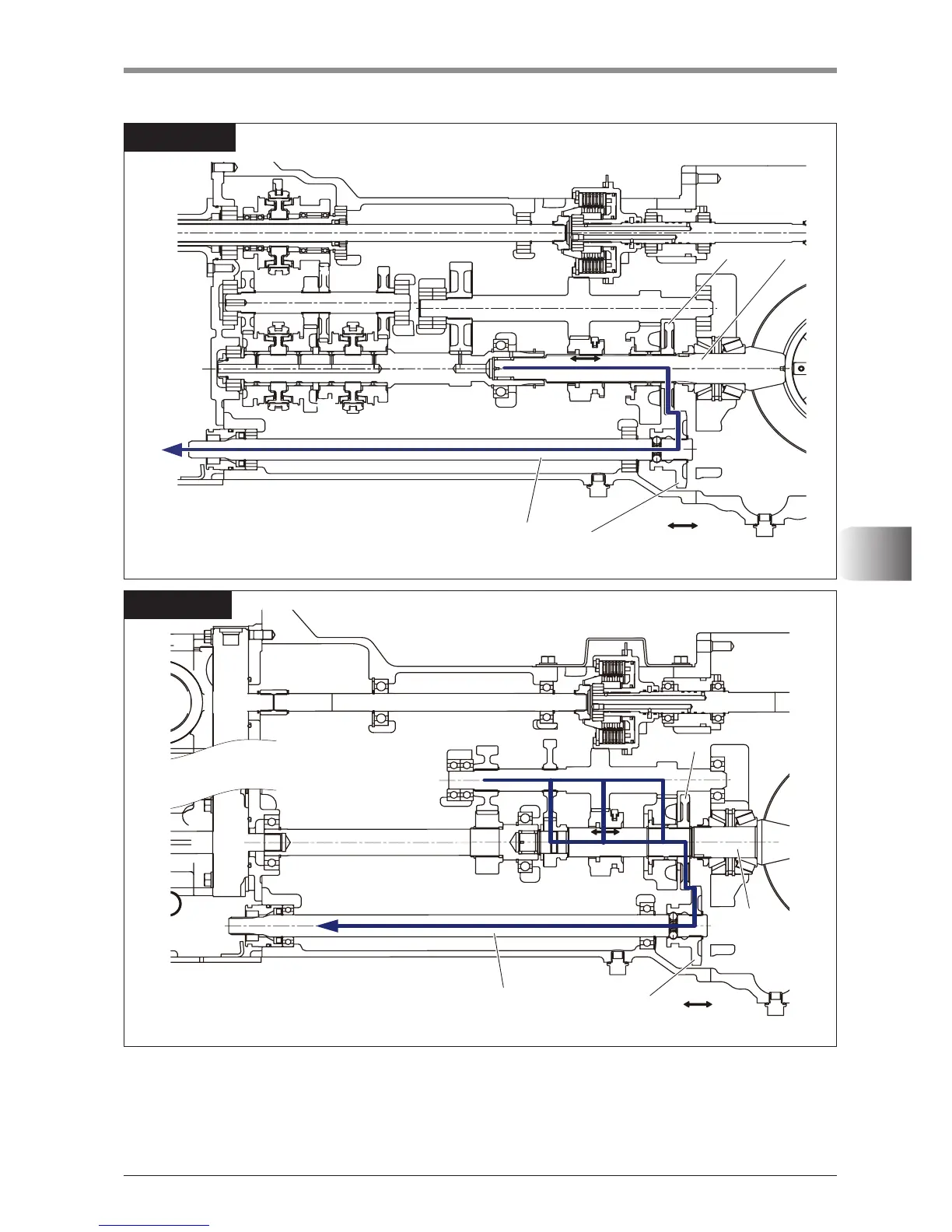
Whenthecountershaft(1)rotatesforrangeshiftoperation,the52Tgear,whichisthe4WDdrivegear(2)of
thecountershaft, rotates constantly.Therefore,when the 4WDdrivengear (4) ofthe 4WDdriveshaft(3)is
movedtothelefttobeengagedwiththe4WDdrivegear,the4WDdriveanddrivengearsareengagedand
rotated together. Then, the rotating power reduced at the reduction ratio by the 52T gear and 42Tgear is
deliveredtothe4WDdriveshafttoturnthefrontaxlethroughthepropellershaft.
&2817(5
0):'
68%'5,9(
5DQJHVKLIW
372&/87&+3$&.
&
%
$
0):'
7
7
7
7
7
7
7

7
7
7
7
7
3
2
1
4
A42W407B
HST MODEL
MEC. MODEL

Table of Contents

Related product manuals