EasyManua.ls Logo

Branson 3015h - Piston Assy

Branson 3015h
454 pages
Print Icon
To Next Page IconTo Next Page
To Next Page IconTo Next Page
To Previous Page IconTo Previous Page
To Previous Page IconTo Previous Page
Loading...
6
-
59
42hW-201601
CHAPTER 6 HYDRAULIC SYSTEM
6
3015R(h)/3515R(h)/4015R(h)/F36R(h)/F42R(h) TRACTOR
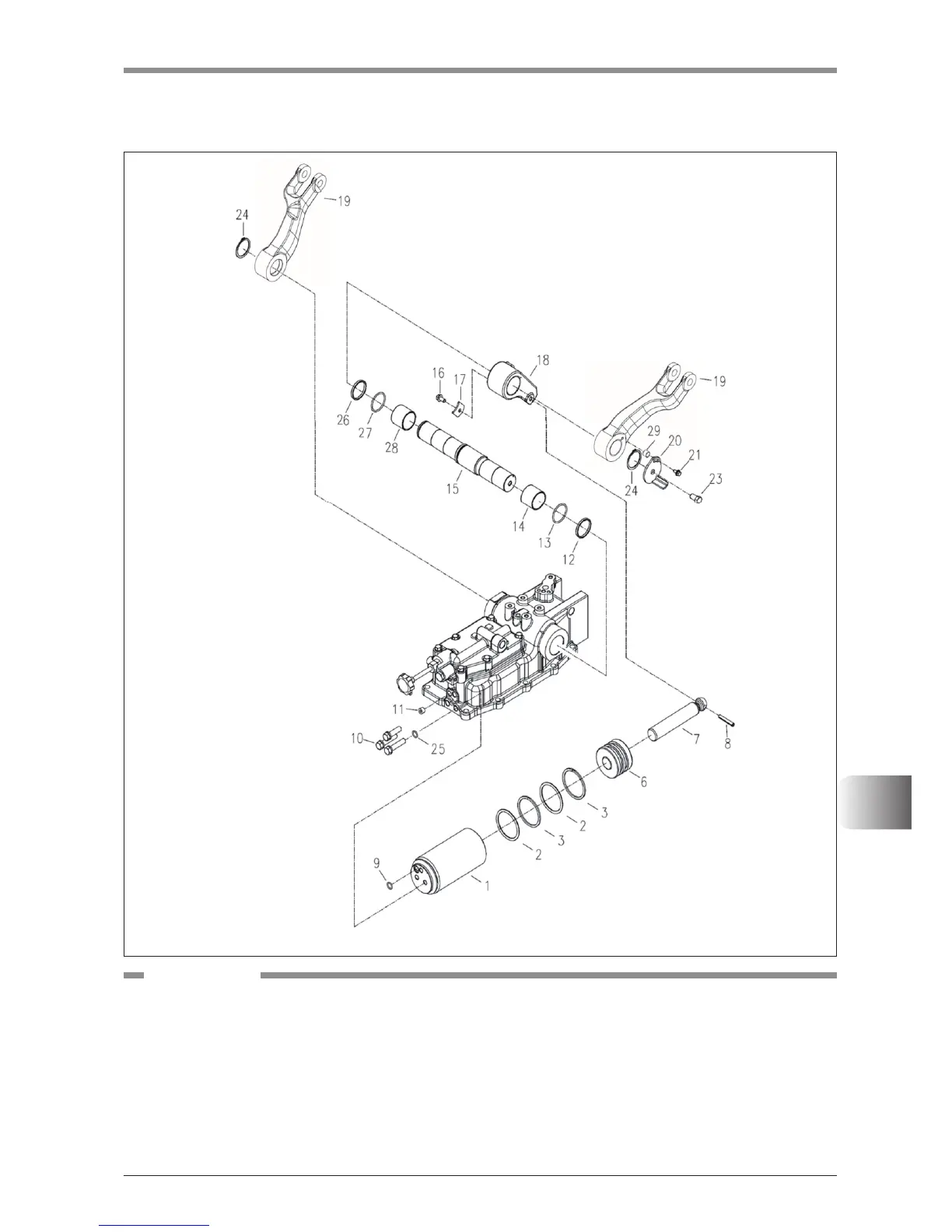
6.7 PISTON ASS’Y
F42W607A
(1) Piston ass’y
(2) O-ring
(3) Ring
(6) Piston
(7) Rod, piston
(8) Spring pin
(9) O-ring
(10) Hex bolt
(11) Plug
(12) Ring, backup
(13) O-ring
(14) Bush
(15) Shaft, lift link
(16)Hexangebolt
(17) Plate
(18) Crank, lift
(19) Arm, lift
(20) Cam ass’y
(21)Hexangebolt
(23)Hexangebolt
(24) Snap ring(C-type)
(25) Bonded seal
(26) Ring, backup
(27) O-ring
(28) Bush
(29) Collar
COMPONENTS

Table of Contents

Related product manuals