EasyManua.ls Logo

Branson 3015h - Page 303

Branson 3015h
454 pages
Print Icon
To Next Page IconTo Next Page
To Next Page IconTo Next Page
To Previous Page IconTo Previous Page
To Previous Page IconTo Previous Page
Loading...
6
-
25
42hW-201601
CHAPTER 6 HYDRAULIC SYSTEM
6
3015R(h)/3515R(h)/4015R(h)/F36R(h)/F42R(h) TRACTOR
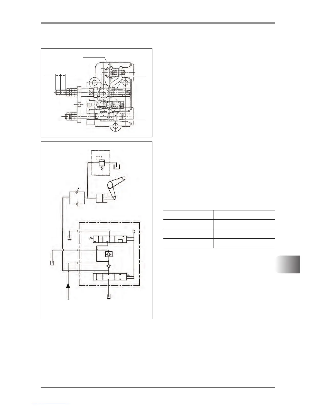
OPERATING PRINCIPLE
8QORDGYDOYH
/LIWLQJ/RZHULQJ
0DLQ
VSRRO
/RZHULQJ
VSRRO
K25W634A
This valve is operated by connecting the link in the
lift cylinder mechanically to the position lever that
the driver operates. The main spool of the control
valve is pushed in or out according to the position of
the lever in order to lift or lower the lift arm.
VALVE SPECIFICATIONS
ITEM SPECIFICATION
Max.ow 45ℓ/min.
Operating oil BRANSON TF500
Operating pressure 180 kgf/cm
2
7
7
3
3
5HDU6&9YDOYH86&$%,102'(/(8
)URQW6&9YDOYH865236+6702'(/
&
K25W635B
For example, if the position ordered by the position
control lever is higher than the current position of
the lower link, the main spool of the valve is pushed
in by the link structure set in the hydraulic cylinder
case. Then, hydraulic oil is supplied to the cylinder
to lift the lift arm and lower link.
On the contrar y, if the position ordered by the
position control lever is lower than the current
position of the lower link, the main spool of the
control valve is pushed out by the link structure set
in the hydraulic cylinder case. Then, the lowering
spool is operated to drain hydraulic oil in the lift
cylinder in order to lower the lower link.
When the position ordered by the position control
lever is matched to the actual position of the lower
link after lifting or lowering operation, the spool of
the control valve is kept in the neutral position by
the link structure set in the hydraulic cylinder case.
Therefore, the lower link is maintained in the current
position.
Rear SCV valve (if equipped)
Front outlet valve

Table of Contents

Related product manuals