EasyManua.ls Logo

Brewmatic 1033510 - Wiring Diagrams; Built-In Coffee Appliance Wiring; Single Unit Warmer Wiring; Built-In Warmer Wiring

Default Icon
11 pages
Print Icon
To Next Page IconTo Next Page
To Next Page IconTo Next Page
To Previous Page IconTo Previous Page
To Previous Page IconTo Previous Page
Loading...
Page 4
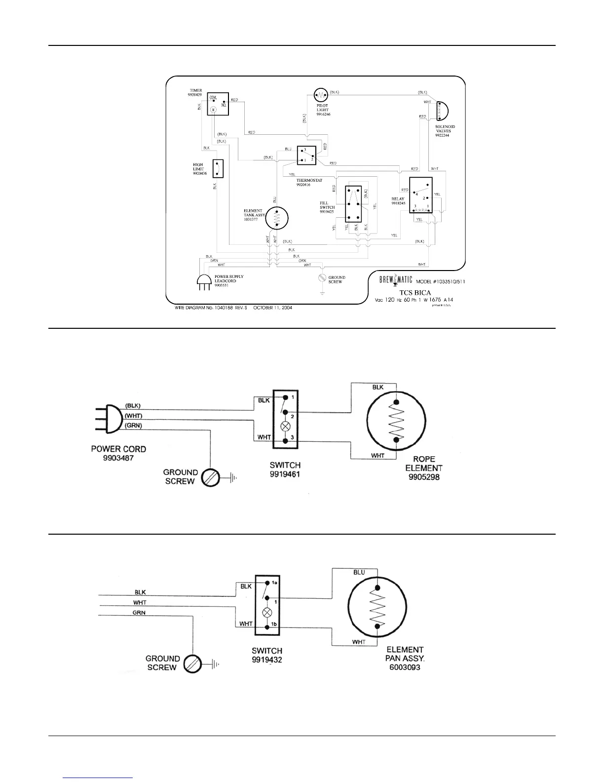
WIRING DIAGRAM- Built-In Coffee Appliance
WIRING DIAGRAM- 1800508 – Single Unit Warmer
WIRING DIAGRAM- 1800510 – Built-In Warmer