EasyManua.ls Logo

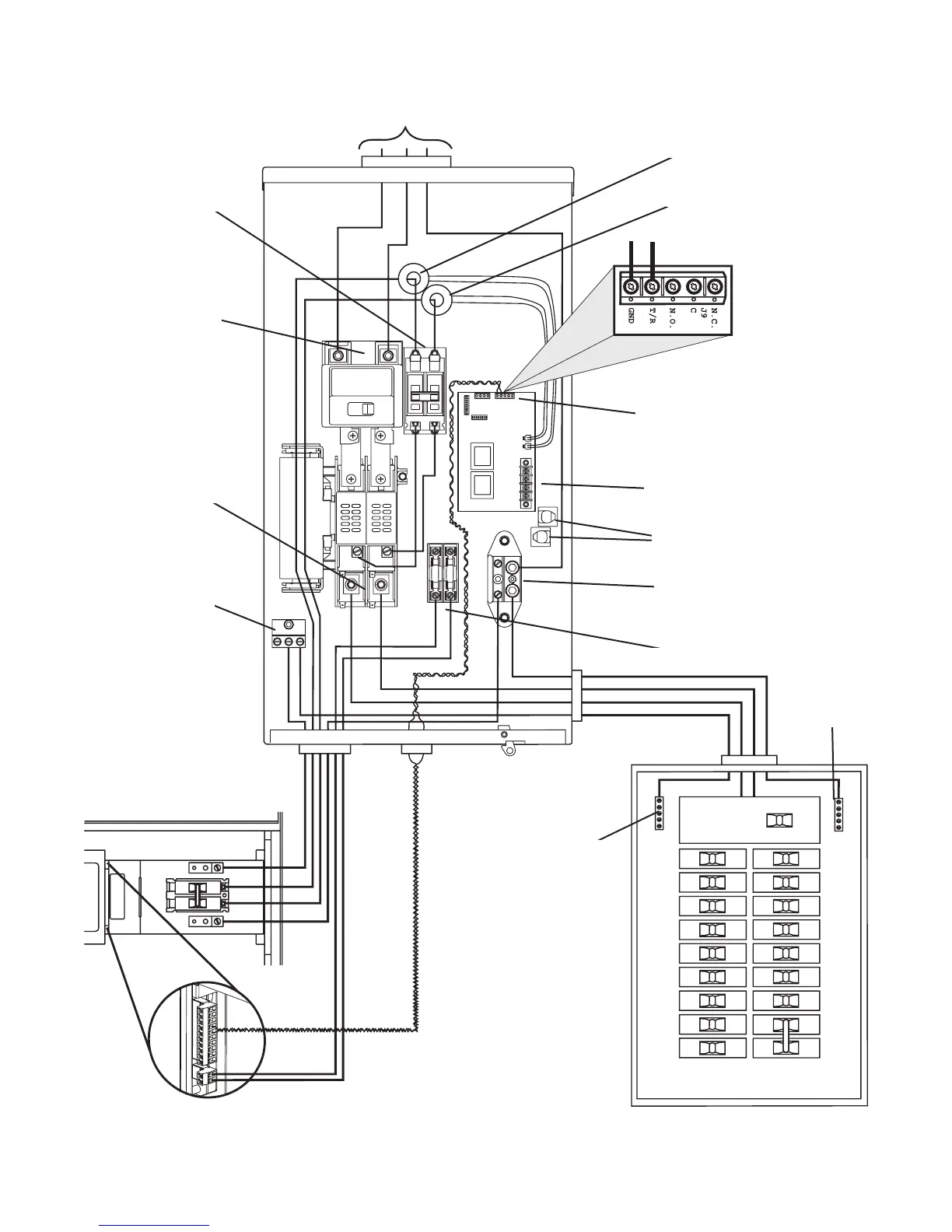
Briggs & Stratton 200 AMP AUTOMATIC TRANSFER SWITCH - Wiring Diagram

Briggs & Stratton 200 AMP AUTOMATIC TRANSFER SWITCH
44 pages
Print Icon
To Next Page IconTo Next Page
To Next Page IconTo Next Page
To Previous Page IconTo Previous Page
To Previous Page IconTo Previous Page
Loading...
8 BRIGGSandSTRATTON.COM
Generator
To Utility
Ground
Terminal
Load
Connection
Main Distribution Panel
Neutral
Terminal
Supervisory
Contacts
Generator
Connection
Utility
Connection
Wireways
CT
CT
UTILITY240VACtoGenerator
T/R and GND to
Generator
Ground Bus
Neutral Bus

Related product manuals