EasyManua.ls Logo

Briggs & Stratton 6421 - Page 22

Briggs & Stratton 6421
36 pages
Print Icon
To Next Page IconTo Next Page
To Next Page IconTo Next Page
To Previous Page IconTo Previous Page
To Previous Page IconTo Previous Page
Loading...
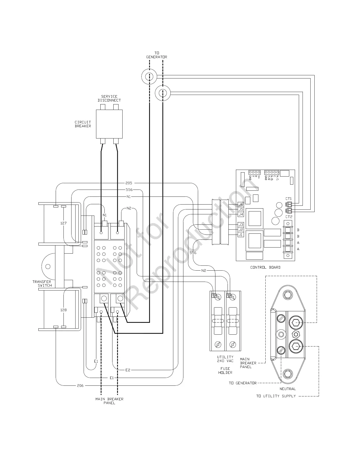
10 BRIGGSandSTRATTON.COM
Diagrama de cableado del interruptor de transferencia: kit de
actualización del modelo 6421
Not for
Reproduction

Related product manuals