EasyManua.ls Logo

Briggs & Stratton 6421 - Page 23

Briggs & Stratton 6421
36 pages
Print Icon
To Next Page IconTo Next Page
To Next Page IconTo Next Page
To Previous Page IconTo Previous Page
To Previous Page IconTo Previous Page
Loading...
11
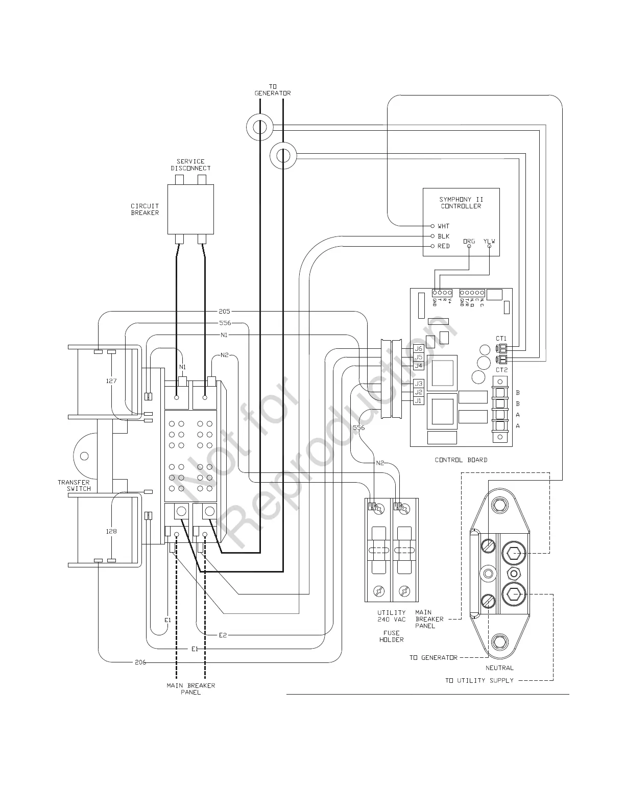
Diagrama de cableado del interruptor de transferencia: kit de
actualización del modelo 6422
Not for
Reproduction

Related product manuals