EasyManua.ls Logo

Briggs & Stratton 6421 - Page 34

Briggs & Stratton 6421
36 pages
Print Icon
To Next Page IconTo Next Page
To Next Page IconTo Next Page
To Previous Page IconTo Previous Page
To Previous Page IconTo Previous Page
Loading...
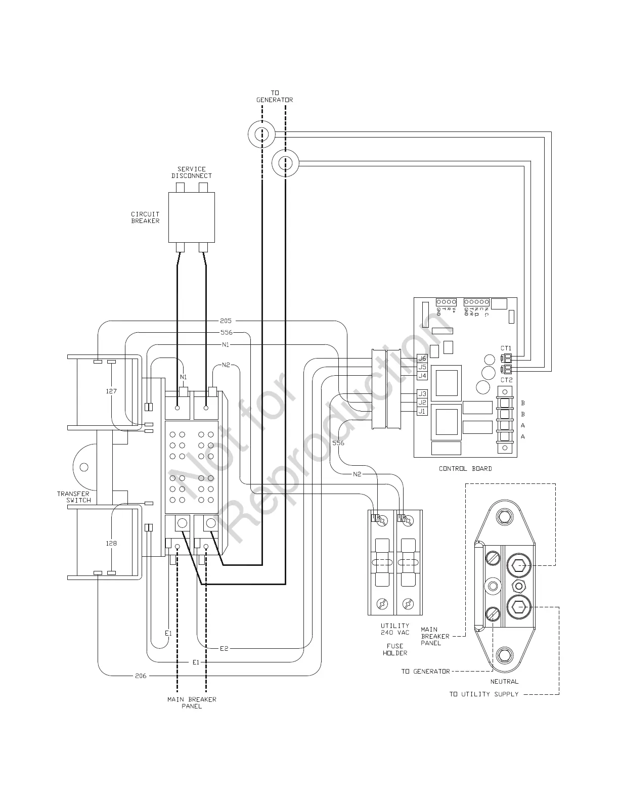
10 BRIGGSandSTRATTON.COM
Diagramme de câblage du commutateur de transfert - trousse de mise à
niveau 6421
Not for
Reproduction

Related product manuals