EasyManua.ls Logo

Briggs & Stratton 6421 - Page 35

Briggs & Stratton 6421
36 pages
Print Icon
To Next Page IconTo Next Page
To Next Page IconTo Next Page
To Previous Page IconTo Previous Page
To Previous Page IconTo Previous Page
Loading...
11
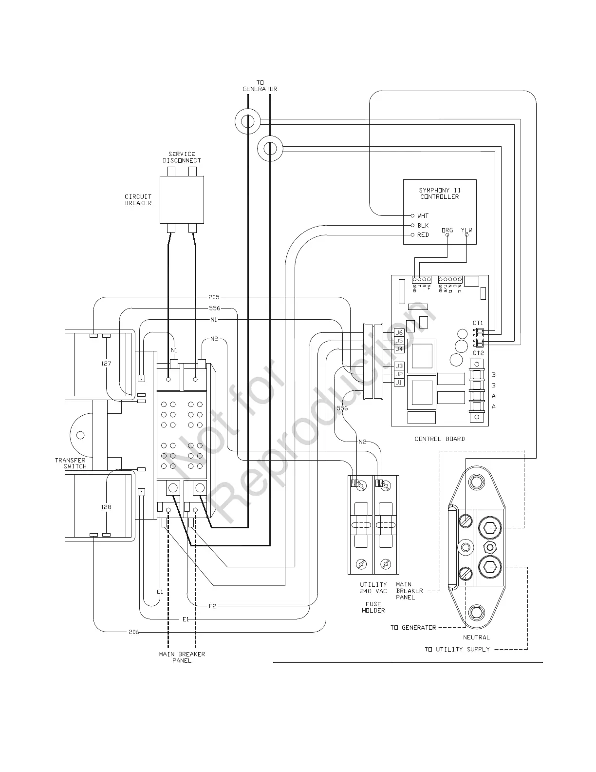
Diagramme de câblage du commutateur de transfert - trousse de mise à
niveau 6422
Not for
Reproduction

Related product manuals