EasyManua.ls Logo

Broaster 1600 - 9 - PRODUCT PREPARATION AND COOKING; PREPARING GENUINE BROASTER CHICKEN; COOKING

Broaster 1600
131 pages
Print Icon
To Next Page IconTo Next Page
To Next Page IconTo Next Page
To Previous Page IconTo Previous Page
To Previous Page IconTo Previous Page
Loading...
2-15
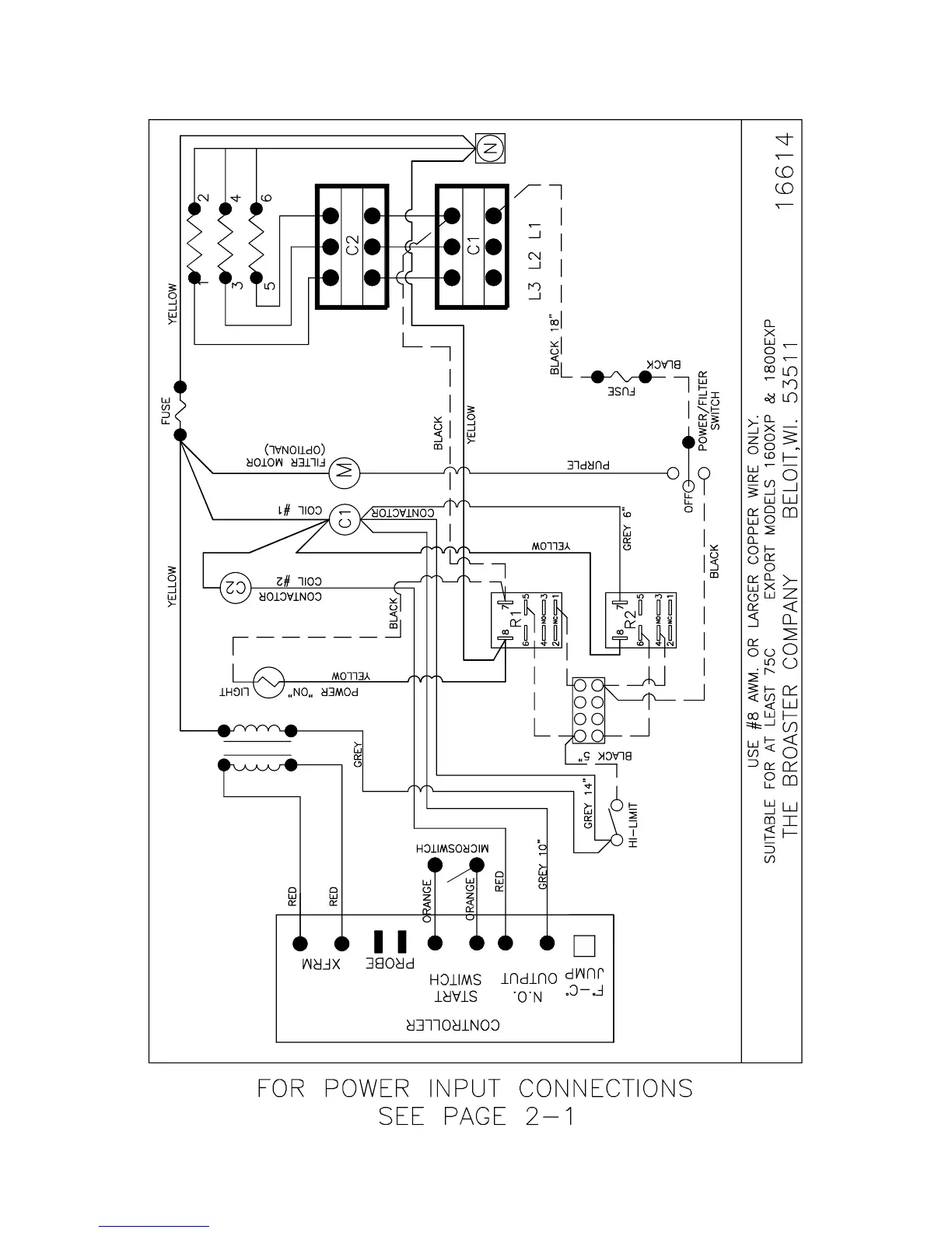
EXPORT: 1600XP/1800EXP Solid State: Effective SE6A700013
SE8A700011
broaster.com Manual #14680 3/99 Rev 5/14

Table of Contents

Other manuals for Broaster 1600

Related product manuals