EasyManua.ls Logo

Broaster 1600 - 10 - COOKING OIL CARE AND FILTERING; FILTERING HINTS

Broaster 1600
131 pages
Print Icon
To Next Page IconTo Next Page
To Next Page IconTo Next Page
To Previous Page IconTo Previous Page
To Previous Page IconTo Previous Page
Loading...
2-21
C2C1
M
R1
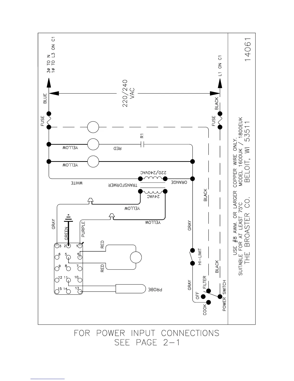
EU: 1600UK/1800EUK Solid State:
broaster.com Manual #14680 3/99 Rev 5/14

Table of Contents

Other manuals for Broaster 1600

Related product manuals