EasyManua.ls Logo

Broaster 1600 - 11 - CLEANING; SPLASH SHIELD; Filter Pan & Cover

Broaster 1600
131 pages
Print Icon
To Next Page IconTo Next Page
To Next Page IconTo Next Page
To Previous Page IconTo Previous Page
To Previous Page IconTo Previous Page
Loading...
2-25
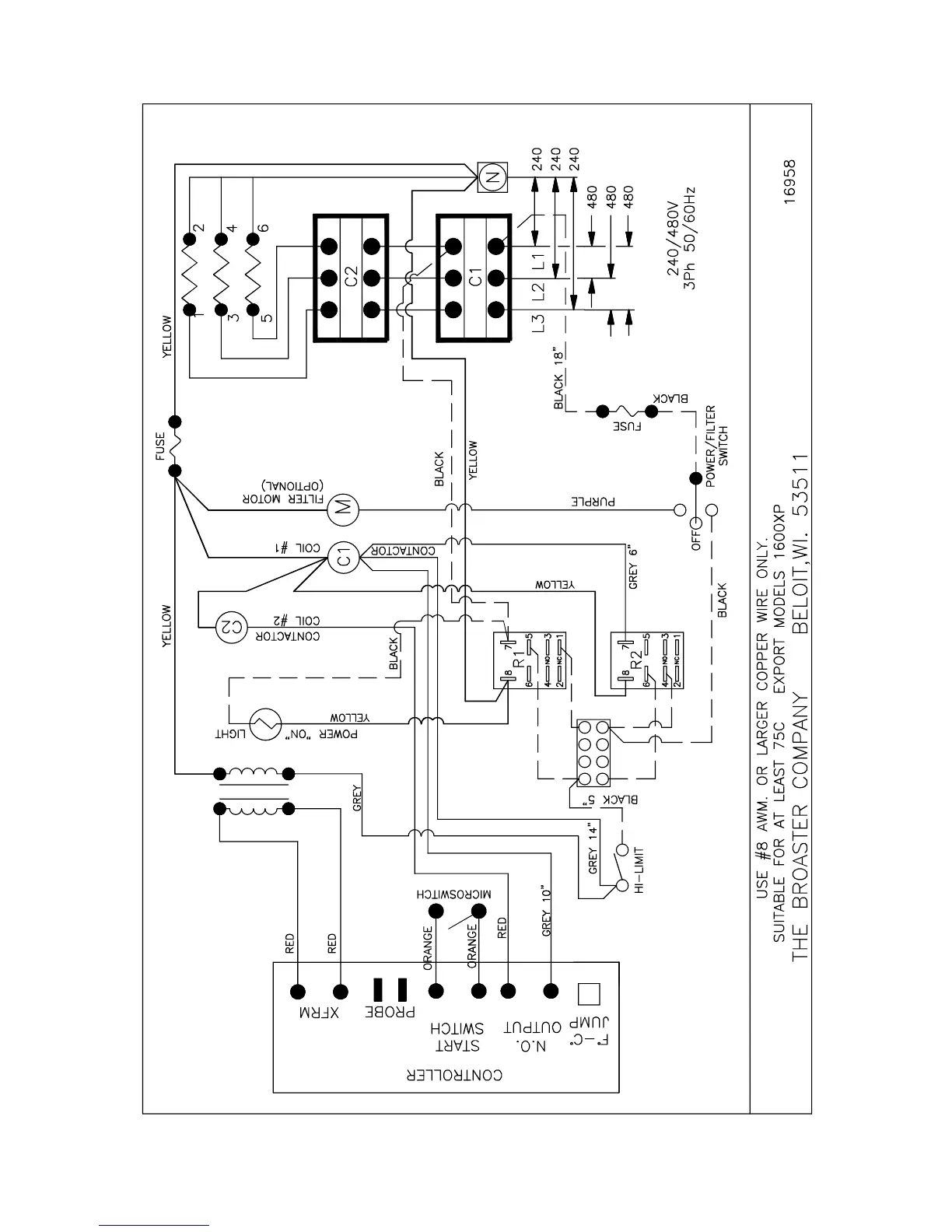
EXPORT: 1600XP Solid State 240/480VAC: Effective SE6A700013
broaster.com Manual #14680 3/99 Rev 5/14

Table of Contents

Other manuals for Broaster 1600

Related product manuals