EasyManua.ls Logo

Broce FMJ470 - Page 50

Broce FMJ470
58 pages
Print Icon
To Next Page IconTo Next Page
To Next Page IconTo Next Page
To Previous Page IconTo Previous Page
To Previous Page IconTo Previous Page
Loading...
!
WARNING: Cancer
and Reproductive Harm
www.P65Warnings.ca.gov
50
BROCE FMJ470
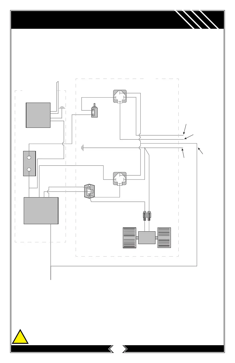
85 86
87
30
87o
Green
Blue
Blue
Yellow
Purple
C
Orange
Orange
White
Black
Black
Black
Black
Red
Red
Black/White
Thermostat
Water Valve
Potentiometer
AC
Switch
Fan Switch
Compressor
Relay
High Speed
Fan Relay
Fan Speed
Resistor
Motor Blower Assembly
Red
Black
Harness To
Water Valve
Power In From
OEM Wire - KEYED
To Chassis Ground
To 24 VDC
To Binary Switch,
Then To Compresso
r
To Ground, Can
Install Binary Here
85 86
87
30
87o
HM L
B
Red
Green
Black / White
UNIT
CONTROL PANEL
SCHEMATICS
(Wiring Diagram)