EasyManua.ls Logo

Broce FMJ470 - Schematics - Hydraulic Diagram

Broce FMJ470
58 pages
Print Icon
To Next Page IconTo Next Page
To Next Page IconTo Next Page
To Previous Page IconTo Previous Page
To Previous Page IconTo Previous Page
Loading...
!
WARNING: Cancer
and Reproductive Harm
www.P65Warnings.ca.gov
52
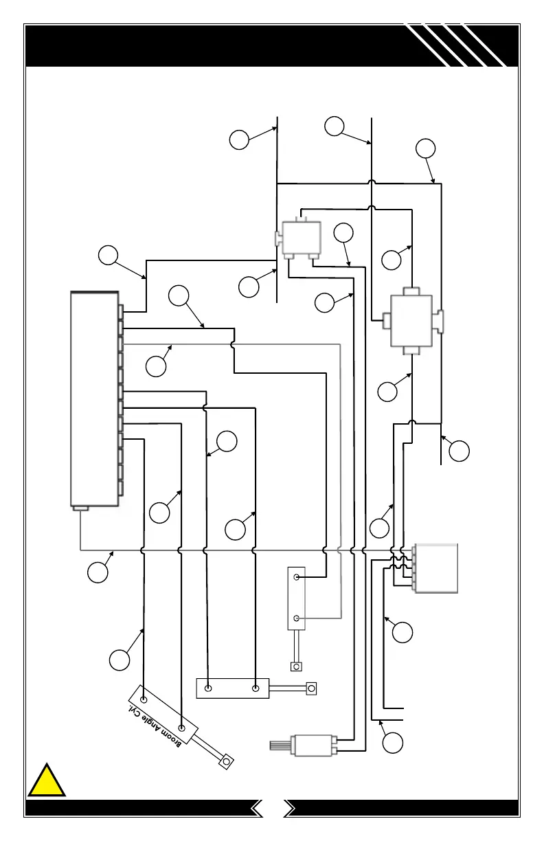
BROCE FMJ470
Broom
Motor
Flow
Divider
Tank
Steering
Orbitrol
Tank
5 Spool Valve
Broom
Valve
Tank
From
Auxiliary
Pump
To Oil
Cooler
From
Foot
Pedal
Broom Lift Cyl.
Broom Slide Shift Cyl.
Tank
1
2
3
4
5
6
6
7
8
9
10
11
12
13
14
15
16
From
Brake
Pedal
24
33
32
To
Steering
Cylinders
SCHEMATICS
(Hydraulic Diagram)