EasyManua.ls Logo

BRONKHORST FLOW-CONTROL Series - Product Description; Process

BRONKHORST FLOW-CONTROL Series
14 pages
Print Icon
To Next Page IconTo Next Page
To Next Page IconTo Next Page
To Previous Page IconTo Previous Page
To Previous Page IconTo Previous Page
Loading...
Bronkhors
Instruction Manual FLOW-CONTROL series9.17.115B 7
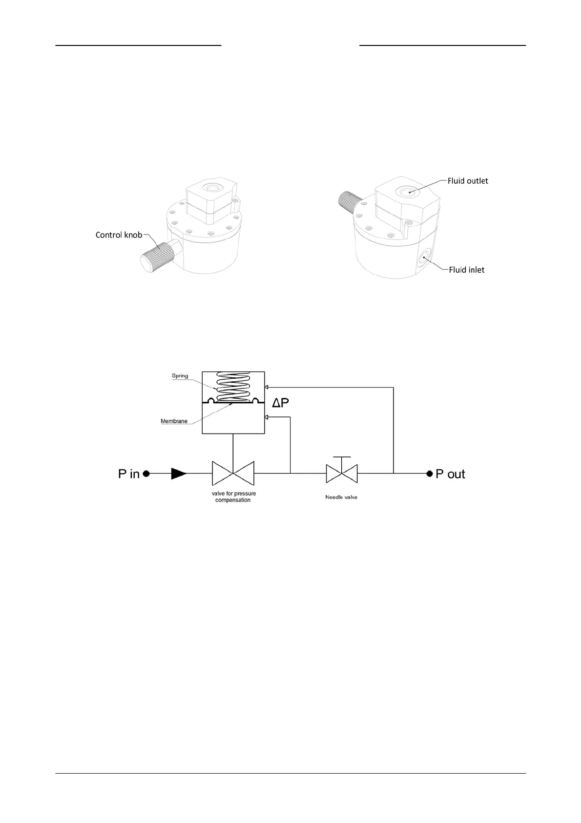
1.3 Product description
The FLOW-CONTROL is an enhanced needle valve, which contains a mechanism to eliminate pressure fluctuations, thereby
creating a constant flow. It is operated just like a regular needle valve: to open, turn the control knob counterclockwise, to
close, turn it clockwise.
The instrument has G¼" BSPP adapter chambers, and can be provided with different fittings.
Front
Rear
1.3.1 Process
In a system where the inlet pressure is stable, flow control with a regular needle valve gives a constant flow rate. However,
when pressure conditions are susceptible to change, the flow rate will become equally unstable. The FLOW-CONTROL
eliminates this effect, by keeping the pressure drop across the needle valve (DP) constant, with the aid of a membrane
operated (normally open) valve.
The membrane is actuated by a mechanical spring, which forces the valve to open. Pressurizing the inlet adds pressure to
the volume under the membrane, until it is lifted, causing the pressure compensation valve to close. At the same time, the
pressure after the needle valve is added to the spring force against the membrane, helping the spring keep the pressure
compensation valve open.
The equilibrium between the spring force and the pressure on the membrane keeps the flow through the needle valve
constant, even if the inlet pressure changes. Opening the needle valve decreases the pressure drop, forcing the pressure
compensation valve to open further, thus creating a new equilibrium.

Related product manuals