EasyManua.ls Logo

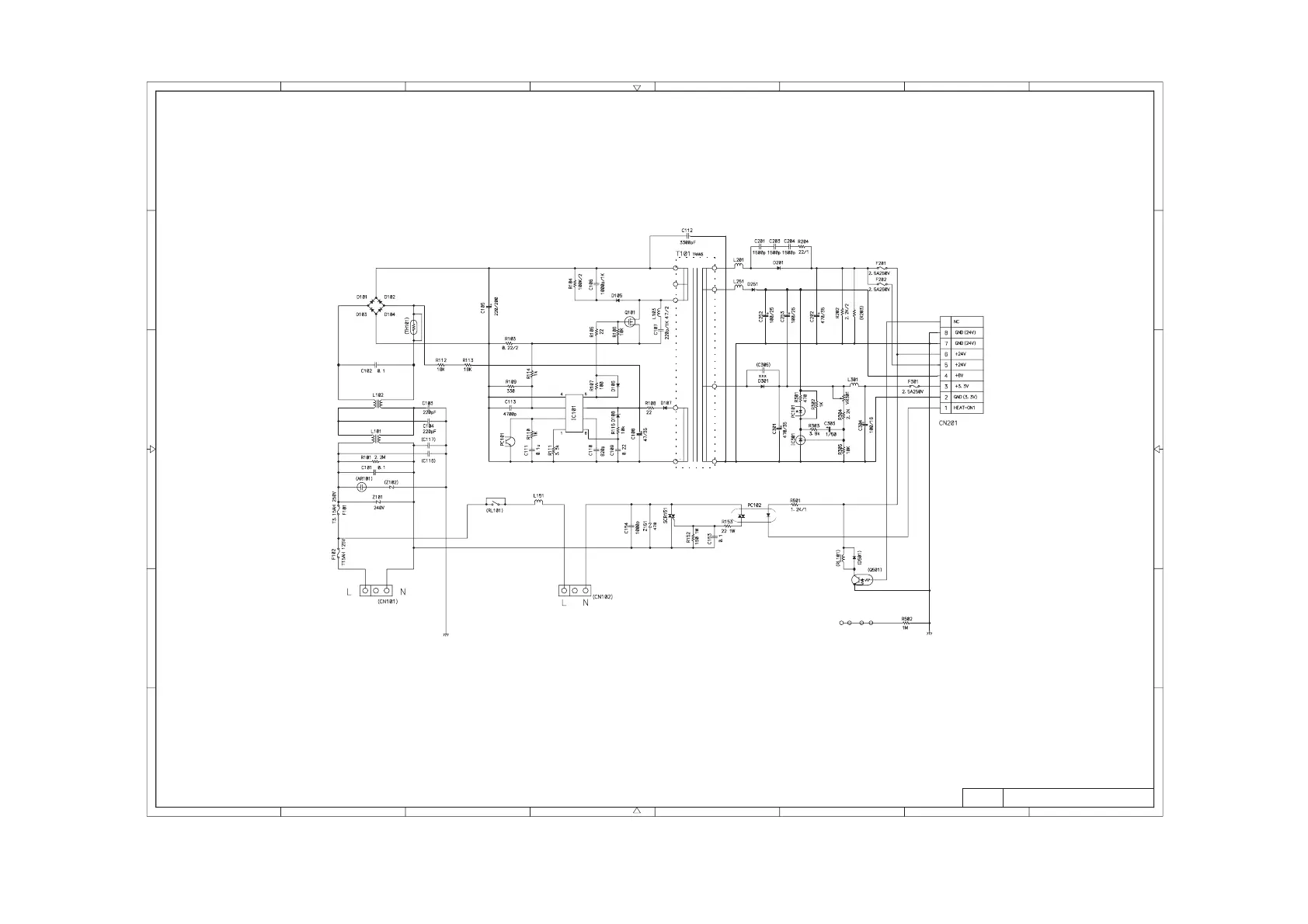
Brother HL-5240L - Low-Voltage Power Supply Pcb Circuit Diagram (100 V, 200 V

Brother HL-5240L
337 pages
To Next Page IconTo Next Page
To Next Page IconTo Next Page
To Previous Page IconTo Previous Page
To Previous Page IconTo Previous Page
Loading...
APPENDIX
Confidential
A-8
Low-voltage PS Circuit (100V)
D
B
A
C
E
F
E
D
B
A
C
F
1
1234 67 8
234 5 67 8
5
Appendix 2. Low-voltage Power Supply PCB Circuit Diagram (100V)
NAME

Table of Contents

Other manuals for Brother HL-5240L

Related product manuals