EasyManua.ls Logo

Bryant 830SA - Page 18

Bryant 830SA
38 pages
Print Icon
To Next Page IconTo Next Page
To Next Page IconTo Next Page
To Previous Page IconTo Previous Page
To Previous Page IconTo Previous Page
Loading...
18
12
11
10
9
8
7
6
5
4
3
2
1
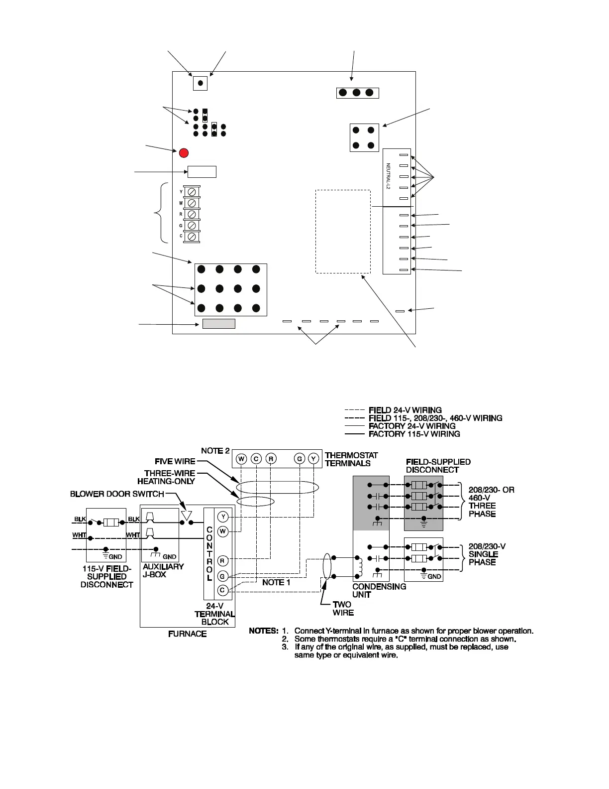
J9
J3
J11
SPARE2
J10
J4
J5
J6
AD B
C
B A
COOL
HEAT
SW1
LED
3A Fuse
3 2
1
2
1
4
3
SPARE1
COM
COOL HEAT
FAN
GND
FLAME
EAC
HUM
PR
BL
L1
NEUT
NEUT
ID Plug
24-VAC THERMOSTAT
TERMINALS
115-VAC (L2) NEUTRAL
CONNECTIONS – L2, ECM
BLOWER, TRANSFORMER,
HUM/EAC (WHEN USED)
TRANSFORMER 24-VAC
CONNECTIONS
(ATTACHMENT AT PIN
10 (RED) AND 11 (BLUE)
WIRES)
3-AMP FUSE
MULTICOLOR STATUS
LED LIGHT
(RED/GREEN/AMBER)
SW1 - FAULT
RECALL/CLEAR
AND COMPONENT
TEST BUTTON
ID PLUG CONNECTOR
(ID PLUG IS A
SEPARATE PART)
INDUCER MOTOR
LOW VOLTAGE
CONNECTOR
115-VAC LINE CONNECTION
(
L1
)
INDUCER MOTOR AND
IGNITER 115-VAC / NEUTRAL
CONNECTOR
ECM BLOWER 115VAC
PRIMARY OF TRANSFORMER 115-VAC
EAC 115-VAC
(
WHEN USED
)
FLAME SENSOR
HUMIDIFIER 115-VAC
(
WHEN USED
)
NO CONNECTION AT GND –
PIN 8 (J9) IS USED FOR GND
(GROUNDED AT BURNER
BOX OR CASING
)
COOL ON-DELAY AND HEAT OFF-
DELAY (JUMPER SHOWN IN
FACTORY DEFAULT POSITION)
ECM BLOWER MOTOR SPEED OUTPUTS 24-VAC COOL/HEAT/FAN
SPARE1 & 2 ARE FOR MOTOR TAPS NOT BEING USED
SEE INSTRUCTIONS FOR MOTOR SPEED SELECTION OPTIONS
MAIN HARNESS
CONNECTION FOR 24-VAC
COMPONENTS
SW1 – SEE
DIAGNOSTIC
LABEL FOR USE
OF THIS SWITCH
LABEL WITH
PART
NUMBE
R /
DATE CODE
(WWYY) /
SOFTWARE
VERSION
INFORMATION
LABEL
A180213
Fig. 23 -- Furnace Control
Representative drawing only, some models may vary.
A180241
Fig. 24 -- Heating and Cooling Application Wiring Diagram with 1 -- Stage Thermostat

Related product manuals