EasyManua.ls Logo

Bryant 987MB - Page 44

Bryant 987MB
76 pages
Print Icon
To Next Page IconTo Next Page
To Next Page IconTo Next Page
To Previous Page IconTo Previous Page
To Previous Page IconTo Previous Page
Loading...
987MB: Installation, Start-up, Operating and Service and Maintenance Instructions
Manufacturer reserves the right to change, at any time, specifications and designs without notice and without obligations.
44
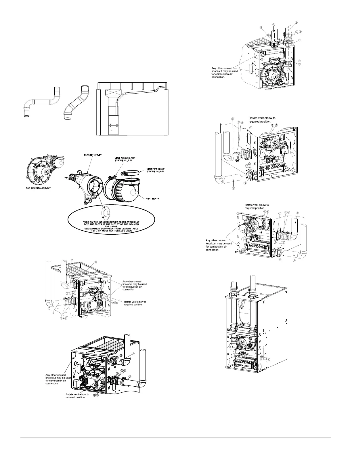
The vent elbow can be rotated to the required location on the casing if
necessary, see Fig. 51. To rotate the vent elbow:
1. Loosen the clamp on the inlet of the vent elbow attached to the
inducer.
2. Rotate the vent elbow to the required position. There are rounded
notches in the vent elbow to align it with the inducer housing for
each orientation.
3. Tighten the clamp around the vent elbow. Torque the clamp to 15
lb-in, see Fig. 52-Fig. 57.
A14546
Fig. 52 – Near Furnace Vent Connections
A170006
Fig. 53 – Inducer Vent Elbow
(Appearance May Vary)
UPFLOW LEFT CONFIGURATION
A11309A
UPFLOW RIGHT CONFIGURATION
A11308A
UPFLOW VERTICAL VENT
A11310A
Fig. 54 – Upflow Configurations (Appearance may vary)
See “Notes for Venting Options”
DOWNFLOW LEFT CONFIGURATION
A11311A
DOWNFLOW RIGHT CONFIGURATION
A11312A
DOWNFLOW VERTICAL
A11313A
Fig. 55 – Downflow Configurations (Appearance may vary)
See “Notes for Venting Options”
Avoid short horizontal offsets with 90
deg. Elb ow s. Short off set s can be
difficult to slope and may trap con-
densate.
Use 45 deg. Elbows where
possible, to ensure conden-
sate drainage.
Slope vent pipe back to the
furnace at least ¼” per foot
Requires Accessory Internal Vent Kit.
See Product Data for current kit number.

Related product manuals